QR kode
Produkter
Kontakt oss


Faks
+86-574-87168065

E-post

Adresse
Luotuo industriområde, Zhenhai-distriktet, Ningbo by, Kina
Raydafons SWC-WF Without Flex Flange Type Universal Coupling er laget kun for overføring med høyt dreiemoment i tungt maskineri – tenk på metallurgiutstyr, kraner, gruvesystemer, alle de tøffe oppsettene som trenger jevn kraft. Den har en ikke-fleksibel flensdesign, svingningsdiametre som varierer fra 160 mm til 640 mm, og denne universalkoblingen av flenstypen håndterer store vinkelforskyvninger pluss kontinuerlige rotasjonshastigheter, ikke noe problem, selv når du arbeider under superkrevende forhold. Vi bruker høystyrke 35CrMo-stål for å bygge den, så den tåler intense belastninger perfekt – akkurat derfor er den et toppvalg for universalkoblinger for tungt maskineri og ikke-fleksible universalkoblinger for industrielle applikasjoner. Raydafons presisjonsproduksjon sørger for at den gir solid ytelse hver gang, spesielt for bransjer som ikke kan gå på akkord med konsekvent dreiemomentlevering.
Denne SWC-WF universalkoblingen er bygget for å vare, med en stiv flensforbindelse som gjør installasjonen enkel i systemer som skipsbyggingsdrev og valseverk – steder der aksial bevegelse ikke er mye. Vi følger ISO 9001-standardene strengt, og vår Kina-baserte fabrikk bruker avansert maskinering pluss strenge kvalitetskontroller for å lage denne holdbare universalkoblingen med flens. Den kommer i tilpassede størrelser, med dreiemoment på opptil 1250 kN·m, så den passer rett inn i tilpassede universalkoblinger for metallurgiutstyr og andre kraftige oppsett. Raydafon tilbyr også skreddersydde løsninger til konkurransedyktige priser, noe som bidrar til å redusere nedetiden og øke utstyrets pålitelighet.
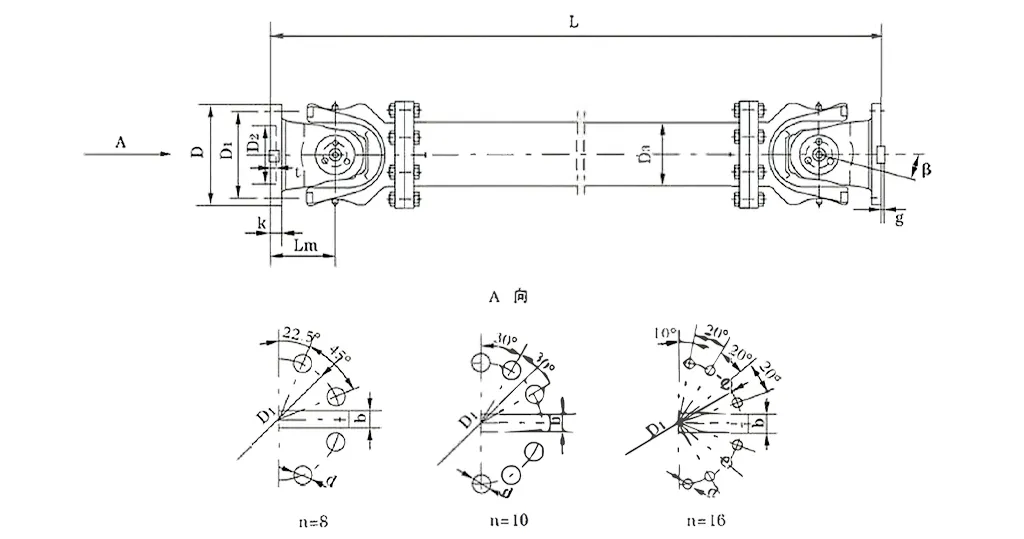
| Ingen. | Gyreringsdiameter D mm | Nominelt dreiemoment Tn KN·m | Aksene folde vinkel β (°) | Slitent dreiemoment Tf KN·m | Størrelse (mm) | Roterende treghet kg.m2 | Vekt (kg) | |||||||||||
| Lmin | D1 (js11) | D2 (H7) | D3 | Lm | n-d | k | t | b (h9) | g | Lmin | Øke 100 mm | Lmin | Øke 100 mm | |||||
| SWC285WF | 285 | 90 | 45 | ≤15 | 810 | 245 | 170 | 194 | 160 | 8-21 | 27 | 7 | 40 | 15 | 2.664 | 0.051 | 220 | 6.3 |
| SWC315WF | 315 | 125 | 63 | 915 | 280 | 185 | 219 | 180 | 10-23 | 32 | 8 | 40 | 15 | 4.469 | 0.0795 | 300 | 8.0 | |
| SWC350WF | 350 | 180 | 90 | 980 | 310 | 210 | 267 | 194 | 10-23 | 35 | 8 | 50 | 16 | 7.388 | 0.2219 | 412 | 15.0 | |
| SWC390WF | 390 | 250 | 125 | 1100 | 345 | 235 | 267 | 215 | 10-25 | 40 | 8 | 70 | 18 | 13.184 | 0.2219 | 588 | 15.0 | |
| SWC440WF | 440 | 355 | 180 | 1290 | 390 | 255 | 325 | 260 | 16-28 | 42 | 10 | 80 | 20 | 23.250 | 0.4744 | 880 | 21.7 | |
| SWC490WF | 490 | 500 | 250 | 1360 | 435 | 275 | 325 | 270 | 16-31 | 47 | 12 | 90 | 22.5 | 40.750 | 0.4744 | 1173 | 21.7 | |
| SWC550WF | 550 | 710 | 355 | 1510 | 492 | 320 | 426 | 305 | 16-31 | 50 | 12 | 100 | 22.5 | 68.480 | 1.3570 | 1663 | 34.0 | |
| SWC620WF | 620 | 1000 | 500 | 1690 | 555 | 380 | 426 | 340 | 10-38 | 55 | 12 | 100 | 25 | 127.530 | 1.3570 | 2332 | 34.0 | |
* 1. Tf-under veksellast det dreiemoment som tillater i henhold til utmattingsstyrken.
* 2. L-installasjonslengde, som er i henhold til kravet.
Raydafons SWC-WF uten universalkobling av fleksibel flenstype - også kalt SWC kardanaksel universalkobling - fungerer på en grunnleggende mekanisk idé: den får dreiemoment fra to ikke-kolineære aksler til dit den skal, og den håndterer feiljustering også. Denne universalkoblingen med høyt dreiemoment bruker et krysslageroppsett for å koble sammen flensene i begge ender, så selv når akslene er forskjøvet med opptil 25 grader eller har aksiale/radiale avvik, beveger den fortsatt rotasjonskraften jevnt.
Hjertet i hvordan det fungerer er universalskjøtdesignet - det er en tverraksel som fungerer som en pivot, som lar hver flens bevege seg på egen hånd. På den måten går dreiemomentet fra drivakselen til den drevne akselen effektivt, og det kompenserer for vinkelfeil uten å legge for mye belastning på delene den er koblet til. Hvis du trenger en pålitelig kraftig universalkobling for valseverksoperasjoner, holder dennes stive, ikke-fleksible flensstruktur ting stabilt, noe som er perfekt for kortdistanseforbindelser i kompakte tunge maskineri oppsett.
Det som gjør at funksjonen skiller seg ut er at den ikke har fleksible deler eller utvidelsesfunksjoner - dette skiller den fra andre typer og gjør den flott for steder der aksial bevegelse er minimal. Den holdbare SWC kardanakselkoblingen vi bruker i løfte- og materialhåndteringsutstyr støtter seg på dette prinsippet for å holde seg balansert selv under store belastninger; den oppnår overføringseffektiviteter på opptil 98,6 % og sløser ikke mye energi. Denne industrielle universalkoblingen reduserer også vibrasjoner takket være presise lagerbevegelser, slik at den går jevnt selv i situasjoner med mye stress – akkurat som universalkoblingssystemene for tunge maskiner du vil se i tøffe industrielle jobber.
I tillegg har Raydafons SWC kraftige universalkoblinger sveisede flenser for å gjøre den mer robust – du trenger ikke bekymre deg for at bolter skal løsne, og den øker den totale styrken med 30 % til 50 %. Som en effektiv universalkobling for stor kraftoverføring, håndterer den nominelle dreiemomenter fra 0,15 til 1000 kN·m og har svingningsdiametre fra φ58 til φ620 – noe som gjør den til en toppvalg for energisparende universalkoblingsløsninger i krevende industrielle transmisjoner. Og med støy som holdes mellom 30-40 dB(A), går denne støysvake universalkoblingen stille, noe som er ideelt for industrielle områder der støy er et problem, samtidig som den holder høye pålitelighetsstandarder.
Raydafons SWC universalkobling - ofte kalt SWC kardanaksel universalkobling - er ikke bare en vanlig del; det er et must for tunge industrielle oppsett, som valseverk, heisemaskiner og alle slags tøffe tunge maskinerisystemer. Som en universalkobling med høyt dreiemoment gjør den en solid jobb ved å koble sammen to transmisjonsaksler som ikke passer perfekt, og sørger for at kraften fortsetter å flyte selv når arbeidsforholdene blir tøffe.
La oss snakke om nøkkelspesifikasjonene: svingningsdiameteren varierer fra φ58 til φ620, nominelt dreiemoment går fra 0,15 til 1000 kN·m, og aksefoldevinkelen er ikke mer enn 25°.
Dette produktet skinner virkelig i spesifikke scenarier – som når du trenger en pålitelig og kraftig universalkobling for valseverk, eller en slitesterk SWC universell akselkobling i løfte- og materialhåndteringsutstyr. I disse tilfellene beviser det sin verdi ved å holde driften stabil, selv når den håndterer tunge belastninger.
Raydafons SWC universalkobling er ikke bare bygget for funksjon – den er konstruert med smart design for å holde stand i industriell bruk og fortsette å yte godt på lang sikt. La oss bryte ned hva som får strukturen til å skille seg ut.
For det første har den en rimelig og sikker konfigurasjon: vi brukte en integrert gaffelhodedesign for denne industrielle universalkoblingen, som reduserer risikoen som at bolter løsner eller går i stykker. Det alene øker dens strukturelle integritet med 30 % - 50 %, så den fungerer trygt og pålitelig. Sammenlignet med vanlige koblinger, varer den lenger og unngår vanlige sammenbrudd på steder med høy belastning – som universalkoblingssystemene for tunge maskiner du ser i tøffe jobber.
Så er det dens forbedrede bæreevne: Denne kraftige universalkoblingen SWC er laget for å håndtere store vekter, så den er et must på steder som trenger førsteklasses laststyring, som gruve- eller anleggsmaskiner.
Den leverer også høy overføringseffektivitet – opp til 98,6 %. Som en effektiv universalkobling for stor kraftoverføring reduserer den energibruken og kostnadene som følger med. Det er derfor det er et toppvalg for energisparende universalkoblingsløsninger i industrielle transmisjonsoppsett med høy effekt.
Og den går jevnt med lav støy: den holder overføringen jevn, og støyen holder seg vanligvis mellom 30-40 dB(A). Denne støysvake universalkoblingen sørger for at operasjonene forblir stille, noe som er perfekt for steder der støy er et problem – samtidig som påliteligheten holdes på et høyt nivå.
⭐⭐⭐⭐⭐ Chen Liang, produksjonsingeniør, Zhejiang Machinery Co., Ltd.
Vi satte Raydafons SWC-WF Without Flex Flange Type Universal Coupling på en av våre produksjonslinjer, og den har fungert utmerket så langt. Strukturen er enkel, men tøff - å installere den var en lek, ingen kompliserte trinn. Når den er satt opp, går den jevnt, uten behov for ekstra justeringer. Selv når lasten er tung, forblir denne koblingen pålitelig, noe som betyr at vi kan holde maskinene i gang i lange timer uten å bekymre oss for mye – gir oss definitivt mer trygghet.
⭐⭐⭐⭐⭐ Sun Mei, Purchasing Supervisor, Hebei Steel Co., Ltd.
Vårt firma kjøpte flere SWC-WF Uten Flex Flange Type Universal Couplings fra Raydafon, og først og fremst var leveringen rett i tide, og emballasjen var også forsiktig – ingen skade i det hele tatt. Det som virkelig skiller seg ut for meg er det verkstedteamet sa: de fortalte meg at koblingene var enkle å installere, og når de brukes, føles de veldig solide. I tillegg, sammenlignet med andre leverandører, er prisen her rimelig. Alt i alt er vi veldig fornøyde med dette kjøpet.
⭐⭐⭐⭐⭐ Guo Jun, vedlikeholdssjef, Liaoning Heavy Industry Group
Min jobb er å holde maskinene våre i gang, og jeg prøver å kutte nedetiden så mye jeg kan. Siden vi begynte å bruke Raydafons SWC-WF Without Flex Flange Type Universal Coupling, har jeg lagt merke til en stor forskjell – mindre slitasje på delen og langt færre problemer under drift. Designet er tøft, og det trenger ikke mye vedlikehold. Det sparer oss for både tid og penger, og det har vist seg å være en super pålitelig del av utstyret vårt.
Raydafon er et sentralt datterselskap av EVER-POWER Group Co., Ltd. – vi er ikke bare en leverandør, men en go-to-leverandør for transmisjonskomponenter og industrielle løsninger av toppkvalitet, og vi legger mye fokus på innovative produkter som SWC kardanaksel universalkobling. Siden vi startet, har vi handlet om å fremme teknologi og vokse i globale markeder; vi stoppet ikke ved å selge enkeltkomponenter – nå lager vi fullsystemløsninger som passer perfekt til landbruket og tunge industribehov. Vår kunnskap innen drivaksler og transmisjonsprodukter betyr at kunder som trenger pålitelig kraftig universalkobling for valseverk (og andre tøffe jobber) kan stole på oss som en solid partner.
Hos Raydafon lager vi et bredt spekter av produkter: girkasser, drivaksler, hydrauliske sylindre, trinser og til og med avanserte maskinverktøy som CNC dreiebenker og fresemaskiner. Våre universalkoblingsløsninger med høyt dreiemoment – ta for eksempel SWC-serien – er bygget for å håndtere de strenge kravene til industrier som trenger holdbar SWC universalleddakselkobling i løfte- og materialhåndteringsutstyr. Vi har også avanserte fasiliteter: CNC-verksteder, slipe- og varmebehandlingsmaskiner, 3D-måleverktøy – alt for å holde seg til ISO9001/TS16949-standardene, så alle industrielle universalkoblinger vi lager er av topp kvalitet og presise.
Vi selger 80 % av produktene våre til utlandet, til markeder som USA, Tyskland, Japan, Italia, Malaysia, Australia og Midtøsten. Og vi har et sterkt nettverk på steder som Kina, Sør-Korea, Storbritannia, Singapore, USA og Spania for å støtte dette. Denne globale rekkevidden lar oss lage skreddersydde løsninger, som SWC kraftige universalkoblinger – designet for universalkoblingssystemer for tunge maskiner som må håndtere store belastninger og vare lenge.
Innovasjon og gjøre kundene fornøyde er våre prioriteringer. Vi tilbyr energibesparende universalkoblingsløsninger som oppnår opptil 98,6 % overføringseffektivitet, og reduserer driftskostnadene for oppsett med høy effekt. Enten du trenger en effektiv universalkobling for stor kraftoverføring eller en støysvak universalkobling for steder der støy er viktig, leveres produktene våre med profesjonell ettersalgsservice – og vi er dedikerte til å gjøre ting riktig. Derfor er Raydafon det beste valget for alle dine overføringsbehov.
Adresse
Luotuo industriområde, Zhenhai-distriktet, Ningbo by, Kina
Tlf
E-post


+86-574-87168065


Luotuo industriområde, Zhenhai-distriktet, Ningbo by, Kina
Copyright © Raydafon Technology Group Co., Limited, Alle rettigheter reservert.
Links | Sitemap | RSS | XML | Personvernerklæring |
