QR kode
Produkter
Kontakt oss


Faks
+86-574-87168065

E-post

Adresse
Luotuo industriområde, Zhenhai-distriktet, Ningbo by, Kina
Raydafons SWC-WD Short Without Flex Flange Type Universal Coupling er bygget for å flytte dreiemoment effektivt i tungt maskineri – tenk på stålvalseverk, kraner, løfteutstyr, alt det tunge utstyret. Den har en kompakt, ikke-teleskopisk flensdesign, med svingningsdiametere fra 180 mm til 1320 mm. Denne korte universalkoblingen med flens kan håndtere vinkelfeil på opptil 15 grader og dreiemoment så høyt som 16000 kN·m, så selv på trange steder hvor det ikke er mye plass, holder den kraftoverføringen pålitelig. Vi lager den av høyfast 35CrMo-stål, med en lagerstruktur som ikke trenger bolter – perfekt for universalkoblinger for tunge maskiner og ikke-teleskopiske universalkoblinger for industrielle applikasjoner. Det krever ikke mye vedlikehold og varer evig, som er akkurat det du trenger i tøffe oppsett.
Produksjonen vår i Kina følger ISO 9001-standardene, så SWC-WD universalkoblingen holder stand under tøffe forhold. Tverrakselen er forkrommet for å motstå korrosjon, noe som øker dens seighet. Den stive, sveisede flensdesignen gjør installasjonen til en lek, spesielt i metallurgi- og gruveutstyr hvor aksial bevegelse er ganske minimal. Vi kan tilpasse størrelsen for å passe dine behov, så denne holdbare korte universalkoblingen fungerer utmerket som spesialtilpassede universalkoblinger for kransystemer og andre tunge jobber. Og prisen er også konkurransedyktig. Raydafons presise håndverk betyr mindre nedetid og mer pålitelig utstyr – noe industrioperatører over hele verden kan stole på.
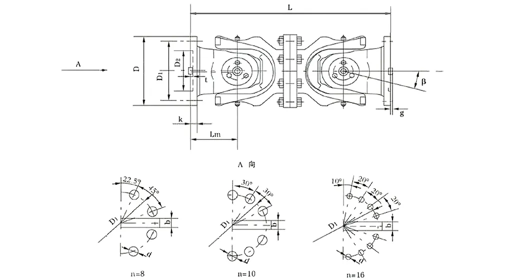
| Ingen. | Gyreringsdiameter D mm | Nominelt dreiemoment Tn KN·m | Aksene folde vinkel β (°) | Slitent dreiemoment Tf KN·m | Størrelse (mm) | Vekt (kg) | |||||||||
| Lmin | D1 (js11) | D2 (H7) | Lm | n-d | k | t | b (h9) | g | Lmin | Øke 100 mm | |||||
| SWC180WD | 180 | 12.5 | 6.3 | ≤25 | 440 | 155 | 105 | 110 | 8-17 | 17 | 5 | - | - | 0.145 | 52 |
| SWC225WD | 225 | 40 | 20 | ≤15 | 480 | 196 | 135 | 120 | 8-17 | 20 | 5 | 32 | 9.0 | 0.355 | 82 |
| SWC250WD | 250 | 63 | 31.5 | 560 | 218 | 150 | 140 | 8-19 | 25 | 6 | 40 | 12.5 | 0.831 | 127 | |
| Swc285wd | 285 | 90 | 45 | 640 | 245 | 170 | 160 | 8-21 | 27 | 7 | 40 | 15.0 | 1.715 | 189 | |
| SWC315WD | 315 | 125 | 63 | 720 | 280 | 185 | 180 | 10-23 | 32 | 8 | 40 | 15.0 | 2.820 | 270 | |
| SWC350WD | 350 | 180 | 90 | 776 | 310 | 210 | 194 | 10-23 | 35 | 8 | 50 | 16.0 | 4.791 | 370 | |
| SWC390WD | 390 | 250 | 125 | 860 | 345 | 235 | 215 | 10-25 | 40 | 8 | 70 | 18.0 | 8.229 | 524 | |
| Swc440wd | 440 | 355 | 180 | 1040 | 390 | 255 | 260 | 16-28 | 42 | 10 | 80 | 20.0 | 15.320 | 798 | |
| SWC490WD | 490 | 500 | 250 | 1080 | 435 | 275 | 270 | 16-31 | 47 | 12 | 90 | 22.5 | 25.740 | 1055 | |
| SWC550WD | 550 | 710 | 355 | 1220 | 492 | 320 | 305 | 16-31 | 50 | 12 | 100 | 22.5 | 46.780 | 1524 | |
| SWC620WD | 620 | 1000 | 500 | 1360 | 555 | 380 | 340 | 10-38 | 55 | 12 | 100 | 25.0 | 83.760 | 2120 | |
* 1. Tf-under veksellast det dreiemoment som tillater i henhold til utmattingsstyrken.
Raydafons SWC universalkobling - vanligvis kalt SWC kardanaksel universalkobling - er ikke bare en del; det er et must i tunge industrifelt, som valseverk, heiseutstyr og alle slags tøffe oppsett av tunge maskiner. Som en universalkobling med høyt dreiemoment gjør den en solid jobb ved å koble sammen to transmisjonsaksler som ikke er perfekt justert, og sørger for at kraften leveres jevnt selv når arbeidsforholdene er veldig tøffe.
La oss snakke om kjernespesifikasjonene: Gyrasjonsdiameteren varierer fra φ58 til φ620, nominelt dreiemoment går fra 0,15 til 1000 kN·m, og aksefoldevinkelen er ikke mer enn 25°.
Denne koblingen fungerer best på spesifikke steder – som når du trenger en pålitelig og kraftig universalkobling for valseverk, eller en slitesterk SWC universell akselkobling i løfte- og materialhåndteringsutstyr. I disse tilfellene viser den sin styrke: selv under store påkjenninger holder den driften jevn, uten søl eller sammenbrudd.
Raydafons SWC universalkobling er ikke bare satt sammen – den er bygget med smart, oppdatert konstruksjon for å fungere utmerket og holde lenge i industriell bruk. La oss gå gjennom hva som får strukturen til å skille seg ut.
For det første har den en rimelig og sikker konfigurasjon: vi brukte en integrert gaffelhodedesign for denne industrielle universalkoblingen, som reduserer risikoen som at bolter løsner eller går i stykker. Denne tilpasningen alene gjør den 30–50 % mer robust totalt sett, så den kjører trygt og konsekvent. Sammenlignet med vanlige koblinger, varer den mye lenger, og den unngår vanlige problemer i høyspenningspunkter – som universalkoblingssystemene for tunge maskiner du ser i tøffe jobber.
Så er det dens forbedrede bæreevne: Denne kraftige SWC universalkoblingen er laget for å håndtere store vekter, så den er et must på steder som trenger førsteklasses lasthåndtering, som gruveutstyr eller anleggsmaskiner.
Den treffer også høy overføringseffektivitet – opptil 98,6 %. Som en effektiv universalkobling for stor kraftoverføring reduserer den energibruken og kostnadene som følger med. Det er derfor det er et toppvalg for energisparende universalkoblingsløsninger i industrielle transmisjonsoppsett med høy effekt.
Og den går jevnt med lav støy: overføringen holder seg jevn, og støyen svinger vanligvis mellom 30-40 dB(A). Denne støysvake universalkoblingen holder driften stille, noe som er perfekt for industriområder der støy er et problem – samtidig som påliteligheten holdes på et høyt nivå.
⭐⭐⭐⭐⭐ Zhang Wei, sjefingeniør, Henan Mining Equipment Co., Ltd.
Vi har satt Raydafons SWC-WD Short Without Flex Flange Type Universal Coupling på gruvemaskineriet vårt, og det har passet perfekt. Den kompakte designen er akkurat det vi trenger for trange steder der det ikke er mye plass til overs, og konstruksjonen er tøff nok til å holde driften jevn. Selv når den kjører uavbrutt under tunge forhold, svikter denne koblingen oss aldri – ingen feil i det hele tatt. Vårt vedlikeholdsteam elsker at det knapt trenger å sjekkes inn, noe som betyr at vi kan holde produksjonen i gang uten ekstra problemer.
⭐⭐⭐⭐⭐ Michael Brown, driftssjef, Texas Steel Works, USA
Vårt verksted i Texas bestilte SWC-WD Short Without Flex Flange Type Universal Coupling fra Raydafon, og ærlig talt har kvaliteten blåst oss bort. Koblingene er veldig bra maskinert, å installere dem er enkelt, og de holder seg pålitelig selv når de er under belastning. Hva stakk meg mest opp? Hvor godt det balanserer pris og ytelse – du finner ikke ofte det søte stedet. Det er ikke lett å finne en leverandør som konsekvent leverer dette kvalitetsnivået, men Raydafon har absolutt bevist at de er en pålitelig partner for oss.
⭐⭐⭐⭐⭐ Anna Müller, vedlikeholdsleder, Berlin Industrial Solutions, Tyskland
Vi satte Raydafons SWC-WD Short Without Flex Flange Type Universal Coupling på vår Berlin-utstyrslinje, og resultatene har vært flotte. Produktet i seg selv føles bunnsolid, sveisingen er presis – ikke noe dårlig arbeid her – og så langt har det holdt seg veldig bra, og viser førsteklasses holdbarhet. Sammenlignet med noen andre merker vi har brukt her i Europa, er denne koblingen mye mer pålitelig, og prisen er også mye mer konkurransedyktig. Hvis andre selskaper ser etter pålitelige universalkoblinger, vil jeg absolutt anbefale Raydafon.
Raydafons SWC-WD Short Without Flex Flange Type Universal Coupling - ofte kalt SWC kardanaksel universalkobling - er bygget for trange industrielle områder, der plassen er begrenset og du trenger en design med fast lengde (ingen teleskopisk forlengelse). Som en universalkobling med høyt dreiemoment flytter den dreiemomentet effektivt mellom aksler som ikke er justert, og håndterer vinkelavvik opp til 25 grader, og den forblir pålitelig selv i tunge miljøer.
La oss snakke om hovedtrekkene: Den har en kompakt og stiv struktur – dette korte, ikke-fleksible flensoppsettet gjør det til en pålitelig kraftig universalskjøtkopling for valseverksoperasjoner, noe som gir ekstra stabilitet i oppsett der aksial bevegelse er minimal. Det er derfor det fungerer så bra for tilkoblinger med fast avstand i tøffe maskiner. Så er det dens høye bæreevne: vi bruker tøffe materialer som støpejern eller legert stål for å lage den, så det er en slitesterk SWC universalleddakselkobling i løfte- og materialhåndteringsutstyr. Den holder store vekter og overfører mer dreiemoment enn andre koblinger med samme diameter, noe som gjør den perfekt for tunge belastninger i gruve- eller anleggsutstyr.
Denne industrielle universalkoblingen kompenserer også veldig bra for feiljustering – enten det er vinkel-, parallell- eller aksialfeiljustering, roter den ikke til rotasjonshastighet eller dreiemomentoverføring. Det betyr jevn drift i universalkoblingssystemer for tunge maskiner. Og den er effektiv ved kraftoverføring: Med en effektivitet på opptil 98,6 % holder denne SWC kraftige universalkoblingen energitapet lavt, noe som gjør den til en effektiv universalkobling for stor kraftoverføring i industrielle oppsett med høy effekt.
I tillegg er den designet for å spare energi og kjøre stille – hvis du trenger energisparende universalkoblingsløsninger, er dette et toppvalg som reduserer driftskostnadene. Og den holder støy mellom 30-40 dB(A), så denne støysvake universalkoblingen passer akkurat på industrielle steder der støy er et problem.
Denne koblingen skinner virkelig i spesifikke scenarier – som når du trenger en pålitelig kraftig universalkobling for valseverk, eller en holdbar SWC universalkoblingsakselkobling i løfte- og materialhåndteringsutstyr. I disse tilfellene, selv med ekstrem belastning og begrenset plass, holder den driften stabil, uten hikke.
Når det gjelder industrielle universalkoblinger, skiller vår SWC-WD-variant seg ut med smart konstruksjon som gjør at den yter bedre og varer lenger. La oss snakke om nøkkelstrukturen: den har et rimelig, trygt oppsett med integrert gaffelhodedesign – dette eliminerer problemer som bolter som løsner eller går i stykker, og øker den totale styrken med 30–50 %. Det betyr at den kjører trygt og pålitelig, varer lenger enn gamle modeller og unngår vanlige havarier på steder med mye stress, som universalkoblingssystemer for tunge maskiner.
I tillegg kan den håndtere mye mer last – vi bygde den for å støtte tyngre vekter, så denne SWC kraftige universalkoblingen er perfekt for steder som trenger tøff lasthåndtering, som gruve- eller anleggsutstyr. Den flytter også kraften supereffektivt, og når opptil 98,6 % overføringseffektivitet. Som en effektiv universalkobling for stor kraftoverføring, reduserer den energibruken og kostnadene som følger med det, noe som gjør den til en toppvalg for energisparende universalkoblingsløsninger i industrielle overføringsoppsett med høy effekt.
Og den går jevnt med knapt støy – overføringen holder seg jevn, og støyen holder seg vanligvis mellom 30-40 dB(A). Denne støysvake universalkoblingen holder driften stille, noe som er perfekt for industriområder der støy er et problem, samtidig som påliteligheten holdes på et høyt nivå.
Raydafon er ikke bare et annet navn innen transmisjonsdeler – vi er en ledende produsent og leverandør av høyytelses transmisjonskomponenter og industrielle maskineriløsninger, og vi har et skarpt fokus på produkter som SWC kardanaksel universalkobling. Vi startet opp for å holde tritt med hva globale industrier trenger etter hvert som de utvikler seg, og over tid har vi bygget ut et komplett utvalg: girkasser, drivaksler, hydrauliske sylindre, trinser, presisjonsmaskinverktøy – alt laget for å øke hvor godt landbruket og tunge sektorer fungerer. Vi er store på innovasjon, og det er grunnen til at vi kan levere pålitelige, kraftige universalkoblinger for valseverksoperasjoner som passer rett inn i selv de mest komplekse systemene uten problemer.
Fasilitetene våre er også førsteklasses – vi har CNC-verksteder, slipe- og varmebehandlingsutstyr og avanserte 3D-målesystemer. Vi holder oss til strenge kvalitetsstandarder som ISO9001/TS16949, og det oppsettet lar oss lage universalkoblingsløsninger med høyt dreiemoment som flytter dreiemomentet godt og håndterer feiljustering som en proff. Ta for eksempel vår slitesterke SWC universalleddakselkobling i løfte- og materialhåndteringsutstyr – den er bygget for steder som trenger tøff bærekraft. Og vår industrielle universalkoblingslinje? Den dekker alle typer bruksområder der presisjon og stabilitet betyr mest.
Åtti prosent av det vi lager blir eksportert – sendt til steder som USA, Tyskland, Japan, Italia, Malaysia, Australia og Midtøsten. Vi har også sterke nettverk i Kina, Sør-Korea, Storbritannia, Singapore, USA og Spania, så vi er solide globalt. Denne rekkevidden lar oss tilby skreddersydde SWC kraftige universalkoblingsalternativer – skreddersydd nøyaktig til det kundene trenger, som i universalkoblingssystemer for tunge maskiner hvor det ikke er mulig å forhandle seg stabilt under ekstreme belastninger.
Vi bryr oss om bærekraft og å lage løsninger som setter kundene først. Det er derfor vi utvikler energibesparende universalkoblingsløsninger som oppnår opptil 98,6 % overføringseffektivitet – noe som reduserer energibruken i oppsett med høy effekt. Enten du trenger en effektiv universalkobling for stor kraftoverføring eller en støysvak universalkobling for industrispotter hvor støy er et problem, leveres våre produkter med full ettersalgsservice. Det er slik vi har blitt en pålitelig partner i transmisjonsindustrien – vi selger ikke bare deler, vi sikkerhetskopierer dem.
Adresse
Luotuo industriområde, Zhenhai-distriktet, Ningbo by, Kina
Tlf
E-post


+86-574-87168065


Luotuo industriområde, Zhenhai-distriktet, Ningbo by, Kina
Copyright © Raydafon Technology Group Co., Limited, Alle rettigheter reservert.
Links | Sitemap | RSS | XML | Personvernerklæring |
