QR kode
Produkter
Kontakt oss


Faks
+86-574-87168065

E-post

Adresse
Luotuo industriområde, Zhenhai-distriktet, Ningbo by, Kina
Raydafons SWC-DH Short Flex Welding Type Universal Coupling er bygget for å koble sammen feiljusterte aksler i kraftig utstyr – tenk på valseverk, taljer og stålbehandlingsmaskiner. Det er en kompakt kort fleksibel universalkobling, med en svingningsdiameter som varierer fra 45 mm til 390 mm. Selv når akslene er av med opptil 25 grader (vinkelfeil), beveger den fortsatt dreiemomentet effektivt – maksimalt ut på 1000 kN·m, noe som passer rett inn med kraftbehovet til tungt utstyr.
Vi lager den med høyfast 35CrMo-stål og legger til fire nålelager, slik at den holder seg under tung belastning. Derfor er den et solid valg for universalkoblinger for industrimaskiner, og fungerer utmerket som tungt utstyr sveisede universalkoblinger på steder hvor belastningen forblir høy konstant. Dens kortfleksede design er perfekt for maskiner med lite rom for aksial bevegelse også – gir en tøff transmisjonsfeste for tøffe industrielle rom.
Raydafon er en Kina-basert produsent med ISO 9001-sertifisering, så vi holder oss til strenge kvalitetsregler for hver SWC-DH universalkobling. Tverrakselen får en kromplate for å bekjempe korrosjon, så den holder selv når forholdene er tøffe. Det sveisede åket gjør installasjonen enklere også – bare rett opp akslingene rett, og det fungerer på sitt beste. Du finner det på utstyr i metallurgi, gruvedrift og kransystemer, ikke noe problem.
I tillegg kommer denne koblingen i forskjellige størrelser og dreiemoment. Hvis du trenger en tilpasset universalkobling for industrimaskiner – for eksempel for hogstmaskiner eller annet spesifikt utstyr – kan vi skreddersy den til dine behov, og prisen forblir konkurransedyktig. Vi har produksjonskunnskapen for å få denne korte fleksible koblingen til å redusere nedetiden på utstyret, slik at maskinene dine fungerer mer pålitelig totalt sett.
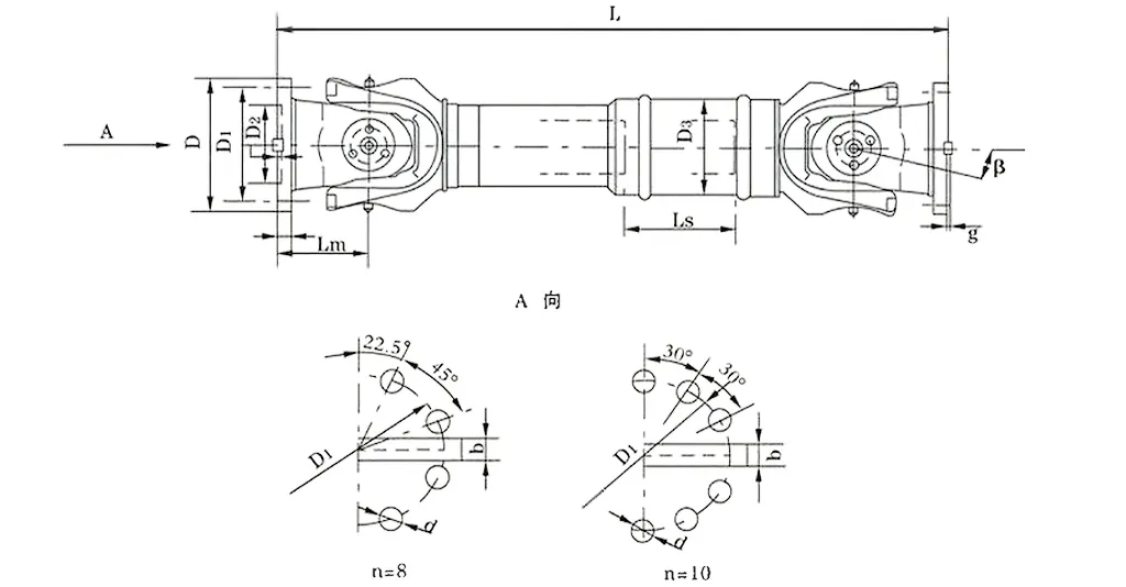
| Ingen. | Gyreringsdiameter D mm | Nominelt dreiemoment Tn KN·m | Aksene folde vinkel β (°) | Slitent dreiemoment Tf KN·m | Flex mengde Ls mm | Størrelse (mm) | Roterende treghet kg.m2 | Vekt (kg) | |||||||||||
| Lmin | D1 (js11) | D2 (H7) | D3 | Lm | n-d | k | t | b (h9) | g | Lmin | Øke 100 mm | Lmin | Øke 100 mm | ||||||
| SWC180DH1 | 180 | 20 | 10 | ≤25 | 75 | 650 | 155 | 105 | 114 | 110 | 8-17 | 17 | 5 | - | - | 0.165 | 0.0070 | 58 | 2.8 |
| SWC180DH2 | 55 | 600 | 0.162 | 56 | |||||||||||||||
| SWC180DH3 | 40 | 550 | 0.160 | 52 | |||||||||||||||
| SWC225DH1 | 225 | 40 | 20 | ≤15 | 85 | 710 | 196 | 135 | 152 | 120 | 20 | 5 | 32 | 9.0 | 0.415 | 0.0234 | 95 | 4.9 | |
| SWC225DH2 | 70 | 640 | 0.397 | 92 | |||||||||||||||
| SWC250DH1 | 250 | 63 | 31.5 | ≤15 | 100 | 795 | 218 | 150 | 168 | 140 | 8-19 | 25 | 6 | 40 | 12.5 | 0.900 | 0.0277 | 148 | 5.3 |
| SWC250DH2 | 70 | 735 | 0.885 | 136 | |||||||||||||||
| SWC285DH1 | 285 | 90 | 45 | ≤15 | 120 | 950 | 245 | 170 | 194 | 160 | 8-21 | 27 | 7 | 40 | 15.0 | 1.876 | 0.0510 | 229 | 6.3 |
| SWC285DH2 | 80 | 880 | 1.801 | 221 | |||||||||||||||
| SWC315DH1 | 315 | 125 | 63 | ≤15 | 130 | 1070 | 280 | 185 | 219 | 180 | 10-23 | 32 | 8 | 40 | 15.0 | 3.331 | 0.0795 | 346 | 8.0 |
| SWC315DH2 | 90 | 980 | 3.163 | 334 | |||||||||||||||
| SWC350DH1 | 350 | 180 | 90 | ≤15 | 140 | 1170 | 310 | 210 | 267 | 194 | 10-23 | 35 | 8 | 50 | 16.0 | 6.215 | 0..2219 | 508 | 15.0 |
| SWC350DH2 | 90 | 1070 | 5.824 | 485 | |||||||||||||||
| SWC390DH1 | 390 | 250 | 125 | ≤15 | 150 | 1300 | 345 | 235 | 267 | 215 | 10-25 | 40 | 8 | 70 | 18.0 | 11.125 | 0.2219 | 655 | |
| SWC390DH2 | 90 | 1200 | 10.763 | 600 | |||||||||||||||
* 1. Tf-under veksellast det dreiemoment som tillater i henhold til utmattingsstyrken. * 2. Lmin-minste lengde etter kuttet. * 3. L-installasjonslengde, som er i henhold til kravet
SWC Universal Joint Coupling, ofte kalt SWC Cardan Shaft Universal Joint Coupling, er en nøkkelkomponent i tunge industrielle scenarier. Det er uunnværlig for valseverk, heisemaskineri og ulike store tunge maskinerisystemer. Som en universalkobling med høyt dreiemoment kan den effektivt koble sammen to transmisjonsaksler med ikke-sammenfallende akser, og sikre uavbrutt kraftoverføring selv under komplekse og tøffe arbeidsforhold.
De tekniske kjerneparametrene til denne koblingen er som følger:
Gyrasjonsdiameter: φ58 - φ620
Nominelt dreiemoment: 0,15 - 1000 kN·m
Aksefoldevinkel: ≤25°
I praktiske applikasjoner fungerer den eksepsjonelt godt. For eksempel, under valseverksoperasjoner, når det er behov for en pålitelig kraftig universalledd-kobling dedikert til valseverk, eller i løfte- og materialhåndteringsutstyr, når det kreves en holdbar SWC universalleddakselkobling, er dette produktet fullt kompetent. Selv under tung belastning kan den stabilt opprettholde driftsstabiliteten til utstyret.
SWC universalkoblingen er designet med avanserte tekniske prinsipper, og gir eksepsjonell ytelse og lengre levetid i industrielle miljøer. Dens viktigste strukturelle funksjoner er som følger:
Rimelig og sikker struktur: Med en integrert gaffelhodedesign, reduserer denne industrielle universalkoblingen risikoen for løs bolt eller brudd, og øker strukturell styrke med 30%-50%. Denne designen sikrer sikker og pålitelig drift, forlenger levetiden sammenlignet med tradisjonelle modeller, og forhindrer vanlige feil i høytrykksscenarier som for eksempel universalkoblingssystemer for tunge maskiner.
Forbedret lastbærende kapasitet: SWC kraftige universalkoblingen er spesielt designet for å tåle tunge belastninger, noe som gjør den avgjørende i scenarier som krever utmerket lasthåndtering som gruvedrift eller anleggsmaskiner.
Høy overføringseffektivitet: Med en virkningsgrad på opptil 98,6 %, reduserer denne effektive universalkoblingen for høyeffektoverføring energiforbruket og relaterte kostnader, noe som gjør den til førstevalget for energibesparende universalkoblingsløsninger i industrielle overføringssystemer med høy effekt.
Stabil drift med lite støy: Denne støysvake universalkoblingen fungerer stabilt med støynivåer typisk mellom 30-40 dB(A), og sikrer stillegående ytelse. Den er ideell for støyfølsomme miljøer samtidig som den opprettholder høy pålitelighet.
Universalkoblinger, spesielt SWC kardanaksel universalkoblinger, har blitt uunnværlige transmisjonskomponenter i industrielle applikasjoner på grunn av deres enestående fordeler. De kan møte kjernebehov med sin ytelse på felt som tungt maskineri, presisjonsproduksjon og energioverføring. Nedenfor er en detaljert analyse av deres viktigste fordeler:
1. Sterk dreiemomentoverføring og utmerket feiljusteringskompensasjon
Som en universalkobling med høyt dreiemoment kan den stabilt overføre høyeffektsbelastninger. Selv i scenarier der akselfeil oppstår ofte under valseverksoperasjoner – slik som aksial forskyvning forårsaket av rulleslitasje og temperaturendringer under stålvalsing – kan denne pålitelige kraftige universalkoblingen for valseverksoperasjoner håndtere det med letthet. Den kan samtidig kompensere for vinkel-, aksial- og radielle feiljusteringer, med en maksimal vinkelforskyvning på opptil 25 grader. Denne utmerkede tilpasningsevnen for feiljustering forhindrer transmisjonsstopp forårsaket av feiljustering av akselen, sikrer kontinuerlig og stabil kraftlevering, reduserer sannsynligheten for mekaniske feil under ekstreme arbeidsforhold og garanterer kontinuerlig drift av produksjonslinjer.
2. Høy holdbarhet og lengre levetid
Design og materialvalg av SWC universalkoblinger er sentrert om "motstå tung belastning og tåle tøffe miljøer". Hovedkroppen er laget av høyfast legert stål, kombinert med en integrert gaffelhodestruktur, som fundamentalt reduserer vanlige feilpunkter som bolteløsning og komponentbrudd. Ved å ta den holdbare SWC universalleddakselkoblingen som brukes i løfte- og materialhåndteringsutstyr som et eksempel, kan den tåle den øyeblikkelige støtbelastningen ved løfting av tunge gjenstander og opprettholde stabil ytelse i tøffe miljøer som støv og høye temperaturer. Sammenlignet med tradisjonelle koblinger med delt struktur, har denne industrielle universalkoblingen en total styrke økt med 30%-50%, noe som ikke bare reduserer hyppigheten av daglig vedlikehold, men også forlenger levetiden med 2-3 år. Den er spesielt egnet for langsiktige behov for høybelastning av universalkoblingssystemer for tunge maskiner.
3. Høy overføringseffektivitet og betydelig energibesparende effekt
Tester har vist at overføringseffektiviteten til SWC kraftige universalkoblinger er så høy som 98,6 %, noe som har åpenbare fordeler i industrielle overføringsscenarier med høy effekt – slik som masovnsvifter i stålverk og kulltransportsystemer i kraftverk. For utstyr som krever kontinuerlig høyeffektoverføring, kan matching med denne effektive universalkoblingen for stor kraftoverføring minimere krafttapet. For bedrifter som søker energisparende universelle koplingsløsninger, kan denne høye effektiviteten direkte omdannes til kostnadsfordeler: Med en industrimotor på 1500 kW som eksempel, kan den spare mer enn 12 000 yuan i strømkostnader per år, og kan hjelpe bedrifter med å redusere betydelige driftskostnader ved langsiktig bruk, samtidig som den overholder den industrielle energibesparende trenden og forbruket.
4. Stabil og stillegående drift, egnet for flere scenarier
Ved å optimere lagertilpasningsnøyaktigheten og bruke smørefett med lav friksjonskoeffisient, er driftsstøyen til denne støysvake universalkoblingen strengt kontrollert til 30-40 dB(A), som tilsvarer omgivelsesstøynivået på et daglig kontor og fullt ut i samsvar med støyutslippsstandardene på industrianlegg. I støyfølsomme scenarier – som for eksempel produksjonslinjer i matforedlingsanlegg og transportutstyr for elektroniske presisjonskomponenter – kan det ikke bare sikre stabiliteten og påliteligheten til overføringssystemet, men også unngå å påvirke verkstedmiljøet eller ansattes driftserfaring på grunn av støy. Samtidig kan de stabile overføringsegenskapene også redusere slitasjen på omgivende komponenter forårsaket av utstyrsvibrasjoner, noe som ytterligere forbedrer driftsstabiliteten og levetiden til hele produksjonssystemet.
SWC-DH Short Flex Welding Type Universal Coupling, ofte referert til som SWC kardanaksel universalkobling, brukes hovedsakelig i tunge maskineri scenarier som valseverk og taljer. Denne typen utstyr har ekstremt høye krav til strukturell kompaktitet og fleksibilitet – bare ved å møte disse to punktene kan effektiv drift oppnås, og denne koblingen oppfyller perfekt slike behov. Som en universalkobling med høyt dreiemoment kan den effektivt koble sammen to transmisjonsaksler med ikke-sammenfallende akser, og sikre sømløs kraftoverføring selv i tøffe industrielle miljøer som krever presis kompensasjon for feiljustering av akselsystemet.
I praktiske applikasjoner, enten det er nødvendig med en pålitelig kraftig universalledd for valseverksoperasjoner under valseverksarbeid, eller en holdbar SWC universalleddakselkobling er nødvendig i løfte- og materialhåndteringsutstyr, kan dette produktet yte utmerket – det kan opprettholde stabil utstyrsdrift selv under ekstreme belastninger. Dens tilpasningsevne er spesielt fremtredende i kompakte utstyrsoppsett der plassen er begrenset og det kreves en kort fleksibel strukturdesign.
Denne industrielle universalkoblingen SWC-DH er bygget med avansert ingeniørteknologi og optimert for ytelse og levetid spesielt for industrielle scenarier. Dens kjernestruktur ligger i dens rimelige og sikre design: den integrerte gaffelhodestrukturen eliminerer fundamentalt de skjulte farene for løs bolt eller brudd, og øker den totale styrken med 30%-50%. Denne utformingen sikrer ikke bare sikkerheten og driftssikkerheten, men forlenger også levetiden sammenlignet med tradisjonelle modeller, samtidig som vanlige feilproblemer unngås i bruksscenarier med høy belastning, for eksempel universalkoblingssystemer for tunge maskiner.
I tillegg er dens bæreevne forbedret gjennom design for å tåle større vekter, så denne kraftige universalkoblingen SWC er svært egnet for scenarier med strenge krav til bæreevne, som gruvemaskiner og anleggsutstyr. Når det gjelder overføringseffektivitet når den opp til 98,6 %. Som en effektiv universalkobling for stor kraftoverføring kan den redusere energiforbruket og strømkostnadene betydelig, noe som gjør den til et foretrukket produkt for energibesparende universalkoblingsløsninger innen høyeffekts industriell overføring.
Til slutt har denne koblingen stabil overføring, med driftsstøy vanligvis kontrollert til 30-40 dB(A), noe som gjør den til en støysvak universalkobling. Denne egenskapen lar den operere stille selv i støyfølsomme industrielle scenarier samtidig som den opprettholder høy pålitelighet til enhver tid.
⭐⭐⭐⭐⭐ Wang Lei, prosjektingeniør, Guangdong Heavy Machinery Co., Ltd.
Vi har brukt Raydafons SWC-DH Short Flex Welding Type Universal Coupling i vårt tunge maskineri en stund nå, og det har vært en hyggelig overraskelse - spesielt når det kommer til å passe inn på trange steder. Utstyret vårt har ganske begrenset plass for transmisjonsdeler, men denne koblingens kompakte design passer som hånd i hanske, du trenger ikke å omorganisere andre komponenter bare for å få den til å fungere.
Det som er enda bedre er at det ikke ofrer ytelse for størrelse. Den leverer fortsatt sterk, jevn dreiemomentoverføring – kritisk for våre tunge operasjoner. Vi har kjørt den kontinuerlig i flere uker, og det har ikke vært unormale vibrasjoner; hele systemet forblir jevnt. Sveisekvaliteten er også et annet høydepunkt - du kan se at den er solid bare ved å se på den, noe som gir oss full tillit til at den vil holde til langvarig tung bruk. For en kobling som balanserer plassbesparende design og pålitelighet, er denne en vinner.
⭐⭐⭐⭐⭐ Zhao Ming, innkjøpssjef, Tianjin Steel Equipment Co., Ltd.
Vi bestilte nylig flere SWC-DH-koblinger fra Raydafon, og jeg må si at hele anskaffelsesprosessen var en lek – ingen hodepine, ingen forsinkelser. Fra det øyeblikket vi sendte inn bestillingen, var teamet deres responsive, og leveringen dukket opp rett på den planlagte datoen, noe som er et stort pluss for å holde produksjonen på sporet. Emballasjen var også førsteklasses: hver kobling ble pakket forsvarlig inn, ingen bulker eller skader under frakt - bare klar til å pakke ut og installeres.
Vårt tekniske team håndterte oppsettet, og de nevnte med en gang hvor enkelt det var å montere. Ingen kompliserte trinn, ingen grunn til å lete etter spesialverktøy – de fikk det raskt montert, og det har fungert pålitelig siden. Når du tar hensyn til den rimelige prisen sammen med denne konsekvente ytelsen, er det tydelig at denne koblingen gir stor verdi. Vi planlegger allerede å beholde den på vår vanlige innkjøpsliste; det er den typen produkt som gjør jobben min som kjøper enklere.
⭐⭐⭐⭐⭐ Liu Hong, vedlikeholdsdirektør, Shandong Industrial Group
Som en som fører tilsyn med vedlikehold av utstyr, er min største prioritet å kutte nedetid og redusere tiden teamet mitt bruker på å vedlikeholde deler. Raydafons SWC-DH-kobling sjekker begge disse boksene perfekt. Vi bruker det i utstyr som kjører under store arbeidsbelastninger daglig, og det sklir aldri eller skifter – holder seg godt på plass, ingen løse forbindelser. Selv etter måneders bruk er det knapt noen tegn til slitasje, noe som er en stor kontrast til andre koblinger vi har brukt før.
Med de eldre koblingene planla vi alltid hurtigreparasjoner eller utskifting av deler, noe som kostet produksjonstid og økte kostnader. Denne? Vi berører den knapt – ingen hyppig service, ingen uventede sammenbrudd. Det har spart oss for mye tid og penger på vedlikehold, og det fortsetter bare å gjøre jobben sin pålitelig. I disse dager har det blitt en viktig komponent i vår daglige drift; Jeg trenger ikke å bekymre meg for at det mislykkes, noe som lar meg fokusere på andre prioriteringer. Det er akkurat den typen pålitelige delen alle vedlikeholdsteam trenger.
Adresse
Luotuo industriområde, Zhenhai-distriktet, Ningbo by, Kina
Tlf
E-post


+86-574-87168065


Luotuo industriområde, Zhenhai-distriktet, Ningbo by, Kina
Copyright © Raydafon Technology Group Co., Limited, Alle rettigheter reservert.
Links | Sitemap | RSS | XML | Personvernerklæring |
