QR kode
Produkter
Kontakt oss


Faks
+86-574-87168065

E-post

Adresse
Luotuo industriområde, Zhenhai-distriktet, Ningbo by, Kina
Raydafons SWC-BF Standard Flex Flange Type Universal Coupling er bygget for å flytte dreiemoment pålitelig i tungt maskineri – tenk på valseverk, papirfremstillingsutstyr, industrielle drivverk, alle oppsettene som trenger tøff ytelse. Den har en fleksibel flensdesign, med svingningsdiametre som varierer fra 180 mm til 620 mm, og denne standard fleksible universalkoblingen håndterer vinkelfeil på opptil 15 grader pluss dreiemoment så høyt som 1250 kN·m. Selv i krevende arbeidsmiljøer fortsetter den å kjøre jevnt, uten avfall. Vi lager den med høyfast 35CrMo-stål og presisjonsnålelagre, så den er perfekt som universalkoblinger for industrimaskiner og fleksflenskoblinger for tungt utstyr – beveger kraften kraftig, og du merker knapt noen vibrasjon.
Vår produksjon i Kina følger ISO 9001-standardene, så SWC-BF universalkoblingen varer lenge og motstår korrosjon – alt takket være den forkrommede tverrakselen. Flensforbindelsen gjør installasjonen enkel, noe som er en stor hjelp på felt som metallurgi, gruvedrift og skipsbygging – steder der du trenger moderat aksial fleksibilitet. Vi kan også tilpasse størrelsen og dreiemomentverdiene, så denne holdbare fleks-universalkoblingen fungerer utmerket som spesialtilpassede universalkoblinger for valseverk og andre industrielle behov. Og prisen er konkurransedyktig, ingen overlading. Raydafons kunnskap betyr at du vil bruke mindre tid på vedlikehold, og utstyret ditt forblir mer pålitelig – noe operatører over hele verden kan stole på.
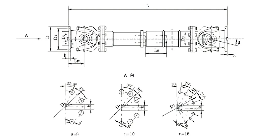
| Ingen. | Gyreringsdiameter D mm | Nominelt dreiemoment Tn KN·m | Aksene folde vinkel β (°) | Slitent dreiemoment Tf KN·m | Flex mengde Ls mm | Størrelse (mm) | Roterende treghet kg.m2 | Vekt (kg) | |||||||||||
| Lmin | D1 (js11) | D2 (H7) | D3 | Lm | n-d | k | t | b (h9) | g | Lmin | Øke 100 mm | Lmin | Øke 100 mm | ||||||
| SWC180BF | 180 | 12.5 | 6.3 | ≤25 | 100 | 810 | 155 | 105 | 114 | 110 | 8-17 | 17 | 5 | -1.455 | - | 0.27 | 0.0070 | 80 | 2.8 |
| SWC225BF | 225 | 40 | 20 | ≤15 | 140 | 920 | 196 | 135 | 152 | 120 | 8-17 | 20 | 5 | 32 | 9 | 0.79 | 0.0234 | 138 | 4.9 |
| SWC250BF | 250 | 63 | 31.5 | 1035 | 218 | 150 | 168 | 140 | 8-19 | 25 | 6 | 40 | 12.5 | 1.46 | 0.0277 | 196 | 5.3 | ||
| SWC285BF | 285 | 90 | 45 | 1190 | 245 | 170 | 194 | 160 | 8-21 | 27 | 7 | 40 | 15 | 2.87 | 0.0510 | 295 | 6.3 | ||
| SWC315BF | 315 | 125 | 63 | 1315 | 280 | 185 | 219 | 180 | 10-23 | 32 | 8 | 40 | 15 | 5.09 | 0.0795 | 428 | 8.0 | ||
| SWC350BF | 350 | 180 | 90 | 150 | 1410 | 310 | 210 | 267 | 194 | 10-23 | 35 | 8 | 50 | 16 | 9.20 | 0.2219 | 632 | 15.0 | |
| SWC390BF | 390 | 250 | 125 | 170 | 1590 | 345 | 235 | 267 | 215 | 10-25 | 40 | 8 | 70 | 18 | 16.62 | 0.2219 | 817 | 15.0 | |
| SWC440BF | 440 | 355 | 180 | 190 | 1875 | 390 | 255 | 325 | 260 | 16-28 | 42 | 10 | 80 | 20 | 28.24 | 0.4744 | 1290 | 21.7 | |
| SWC490BF | 490 | 500 | 250 | 190 | 1985 | 435 | 275 | 325 | 270 | 16-31 | 47 | 12 | 90 | 22.5 | 46.33 | 0.4744 | 1631 | 21.7 | |
| SWC550BF | 550 | 710 | 355 | 240 | 2300 | 492 | 320 | 426 | 305 | 16-31 | 50 | 12 | 100 | 22.5 | 86.98 | 1.3570 | 2567 | 34.0 | |
| SWC620BF | 620 | 1000 | 500 | 240 | 2500 | 555 | 380 | 426 | 340 | 10-38 | 55 | 12 | 100 | 25 | 147.50 | 1.3570 | 3267 | 34.0 | |
Universalkoblinger - også kalt universalkoblinger - er mekaniske deler som beveger dreiemoment og rotasjonsbevegelse mellom to aksler som kanskje ikke passer perfekt. De håndterer vinkel-, aksial- og radielle feiljusteringer, samtidig som de holder kraftoverføringen effektiv i ulike industrielle bruksområder. Hos Raydafon er vår SWC kardanaksel universalkoblingsserie et ypperlig eksempel på førsteklasses konstruksjon her, og tilbyr universalkoblingsløsninger med høyt dreiemoment laget kun for tunge områder som valseverk og heisemaskiner.
La oss bryte ned hovedtypene universalkoblinger:
Først ut er Single Universal Joint. Den har en kryssformet pivot som forbinder to åk, slik at akslene kan ha vinkelfeil opp til 45 grader. Det fungerer bra for oppsett med moderate forskyvninger, selv om det kan forårsake hastighetsendringer. Raydafons pålitelige, kraftige universalkobling for valseverksoperasjoner bruker ofte enkeltledddesign i kompakte bygg, så den holder seg utmerket selv under tung belastning.
Så er det Double Universal Joint. Den har to enkeltledd koblet sammen, som håndterer større feiljusteringer og holder overføringshastigheten nesten konstant – perfekt for vanskelige akseloppsett. Når du trenger en holdbar SWC universalleddakselkobling i løfte- og materialhåndteringsutstyr, øker Raydafons doble leddmodeller stabiliteten og reduserer vibrasjoner i industrielle universalleddkoblingssystemer med høy spenning.
Neste er det teleskopiske eller ekspanderbare universalleddet. Den har splines eller glidende deler som lar deg justere lengden samtidig som den kompenserer for feiljustering, noe som fungerer for aksiale bevegelser i dynamiske oppsett. Raydafons SWC kraftige universalkoblinger inkluderer teleskopiske alternativer - de fungerer som en effektiv universalkobling for stor kraftoverføring på steder som gruver eller byggeplasser, hvor du trenger fleksibilitet i aksellengden.
Det finnes også Solid, Bored eller Splined Hub-typer. Disse er forskjellige etter hvordan de kobles til: solide nav har ingen hull, borede nav har runde, sekskantede eller firkantede åpninger, og splinede nav har spor for en tett passform. For energibesparende universalkoblingsløsninger tilbyr Raydafon splinede design i vårt støysvake universalkoblingsutvalg – de optimerer tilførsel av dreiemoment og holder støy nede til 30-40 dB(A) i følsomme industriområder.
Raydafons universalkoblinger, inkludert SWC-serien, er laget med integrerte gaffelhodedesigner – ingen flere boltrelaterte problemer, som øker styrken med 30 % - 50 % og oppnår overføringseffektivitet på opptil 98,6 %. Disse funksjonene gjør produktene våre til et toppvalg for profesjonelle som trenger tilpassede, høyytelsesløsninger.
Universalkoblinger – ta Raydafons SWC kardanaksel universalkobling som et godt eksempel – gir store fordeler for industrielle transmisjonssystemer. De flytter dreiemoment effektivt mellom aksler som ikke er justert, og håndterer alle typer avvik, og de er et must for å holde driften jevn i tøffe miljøer – som de som trenger universalkoblingsløsninger med høyt dreiemoment.
La oss dykke inn i hovedfordelene deres: For det første er de flinke til å kompensere for feiljustering. Universalkoblinger håndterer vinkel-, aksial- og radielle feiljusteringer opptil 25 grader, noe som gjør dem til en pålitelig kraftig universalkobling for valseverk. De gjør dette uten å legge til for mye mekanisk stress eller vibrasjon, slik at maskinene dine forblir beskyttet.
Så er det deres tøffe holdbarhet og lange levetid. Vi bygger disse koblingene med integrerte gaffelhodedesigner og materialer med høy styrke, som reduserer risikoen som at bolter løsner eller går i stykker – noe som øker den strukturelle integriteten med 30–50 %. Det er grunnen til at den slitesterke SWC kardanakselkoblingen i løfte- og materialhåndteringsutstyr fungerer så godt for lange strekk under tøffe forhold; den varer langt ut enn tradisjonelle modeller.
De har også førsteklasses bæreevne og dreiemomentkapasitet. Konstruert for å holde tunge vekter og overføre nominelle dreiemomenter fra 0,15 til 1000 kN·m, skinner den industrielle universalkoblingen i universalkoblingssystemer for tunge maskiner. I disse oppsettene er konsekvent ytelse under ekstreme belastninger make-or-break, og denne koblingen leverer hver gang.
Når det gjelder kraftoverføringseffektivitet, er de vanskelige å slå. Med en effektivitet på opptil 98,6 % holder SWC kraftige universalkoblinger energitapet lavt. Det gjør den til en effektiv universalkobling for stor kraftoverføring i industrielle applikasjoner med høy effekt, og over tid gir denne effektiviteten reelle kostnadsbesparelser.
Sist men ikke minst sparer de energi og går stille. Som energibesparende universalkoblingsløsninger kutter de strømforbruket, og de opererer på bare 30-40 dB(A). Denne støysvake universalkoblingen er perfekt for industrielle steder der støy er et problem – du får all påliteligheten du trenger uten den høye operasjonen.
Universelle koblinger – de fleste kaller dem universalkoblinger – fungerer på en enkel, men effektiv mekanisk idé: de flytter dreiemoment og rotasjonsbevegelse mellom to aksler som ikke passer perfekt, og håndterer vinkel-, aksial- og radielle feiljusteringer uten å hoppe over et slag. Ta for eksempel Raydafons SWC kardanaksel universalkobling – det er et flott utstillingsvindu for dette prinsippet. Den bruker en kryssformet pivot (vi kaller det ofte en edderkopp) for å koble åkene på hver aksel, slik at kraften overføres jevnt selv i travle industrielle oppsett.
Hjertet av hvordan det fungerer er den kryssdreiningen: den lar åkene rotere uavhengig, noe som gjør opp for akseltilt opp til 25 grader samtidig som dreiemomentleveringen holdes konsekvent. Denne universalkoblingen med høyt dreiemoment holder også endringer i rotasjonshastigheten på et minimum - spesielt når det er en dobbel skjøtdesign - så den er perfekt for jobber som trenger en pålitelig og kraftig universalkobling for valseverk. Og med Raydafons SWC-serie har vi lagt til en integrert gaffelhodedesign for å gjøre denne mekanismen enda bedre: den blir kvitt problemer som bolter som løsner, øker strukturell styrke med 30 %-50 %, og hjelper den vare lenger på steder med høy belastning.
Dette prinsippet støtter også stor bæreevne. Koblingen håndterer nominelle dreiemomenter fra 0,15 til 1000 kN·m, med svingningsdiametre mellom φ58 og φ620 – det er derfor den holdbare SWC universelle leddakselkoblingen i løfte- og materialhåndteringsutstyr er et solid valg for tøffe operasjoner. I tillegg oppnår den industrielle universalkoblingen opptil 98,6 % overføringseffektivitet, og reduserer energibruken i universalkoblingssystemer for tunge maskiner.
Dessuten har Raydafons SWC kraftige universalkoblinger funksjoner som matcher prinsippets fokus på jevn drift: den holder overføringen jevn, og støyen holder seg mellom 30-40 dB(A). Det gjør den til en effektiv universalkobling for stor kraftoverføring, og en topp energibesparende universalkoblingsløsning for industrielle oppsett med høy effekt. Alt i alt holder denne støysvake universalkoblingen ting stille, så den fungerer utmerket på steder der støy er et problem – uten å ofre påliteligheten.
⭐⭐⭐⭐⭐ Li Jun, senioringeniør, Jiangsu Power Equipment Co., Ltd.
Vi har brukt Raydafons SWC-BF Standard Flex Flange Type Universal Coupling i noen måneder nå, og den har prestert utmerket. Det som skiller seg mest ut er fleksibiliteten til denne koblingen – den har gjort maskineriet vårt mye mer pålitelig, spesielt når det gjelder å kompensere for akselfeil. Installasjonen var en jevn prosess, ingen vanskelige trinn, og sveisekvaliteten ser også solid ut – gir oss definitivt trygghet på at den vil vare. For prisen er det en veldig god verdi, og hvis du er i tungmaskinindustrien, vil jeg absolutt anbefale denne fleksible universalkoblingen med flens.
⭐⭐⭐⭐⭐ John Davis, maskiningeniør, Manchester Engineering Ltd., Storbritannia
På vårt Manchester-anlegg byttet vi ut en gammel kobling med Raydafons SWC-BF Standard Flex Flange Type Universal Coupling, og forskjellen var åpenbar med en gang. Denne universalkoblingen flytter kraften jevnt og effektivt, selv når vi kjører den under høye stressforhold – den gir aldri opp. Fleksibiliteten kombinert med den tøffe designen holder maskineriet vårt i gang uten problemer. I tillegg fikk Raydafon leveringen til oss raskt, og kundeservicen deres var førsteklasses – gjorde hele kjøpsopplevelsen så mye bedre. Anbefaler denne pålitelige universalkoblingen med fleksflens!
⭐⭐⭐⭐⭐ Matteo Rossi, driftssjef, Milan Industrial Solutions, Italia
Vi var på jakt etter en universalkobling som kunne håndtere feiljusteringer godt, og det var slik vi fant Raydafons SWC-BF Standard Flex Flange Type Universal Coupling. Vi har brukt den i noen uker nå, og jeg kan si at den sjekker alle boksene våre. Det var enkelt å installere det, ingen ekstra problemer, og selv når vi setter den gjennom utfordrende forhold, holder den stand. Kvaliteten er enestående for prisen – definitivt en smart investering for maskineriet vårt. Jeg er veldig fornøyd med både produktet og tjenesten Raydafon ga oss.
Raydafon er ikke bare en produsent – vi er en ledende leverandør av førsteklasses transmisjonskomponenter og industrielle maskineriløsninger, og vi har dyp ekspertise på produkter som SWC kardanaksel universalkobling. Vi startet med innovasjon og kvalitet i kjernen, og over tid har vi utvidet utvalget vårt til å inkludere girkasser, drivaksler, hydrauliske sylindre, trinser og avanserte maskinverktøy – alt bygget for å møte de tøffe kravene til landbruk og tung industri. Våre universalkoblingsløsninger med høyt dreiemoment er laget med omhu, og sørger for at momentoverføringer jevnt og feiljusteringer håndteres riktig – de er absolutte must-haves for kunder som trenger pålitelig kraftig universalkobling for valseverksdrift.
Våre produksjonsanlegg er toppmoderne: Vi har CNC-verksteder, slipe- og varmebehandlingsutstyr og 3D-målesystemer. Vi holder oss til strenge standarder som ISO9001/TS16949, så alle industrielle universalkoblinger vi lager er presise og bygget for å vare. Ta for eksempel vår slitesterke SWC universalleddakselkobling i løfte- og materialhåndteringsutstyr – den er optimalisert for steder som trenger seriøs lastbærende kraft. Og vår SWC kraftige universalkobling? Det løser problemer i universalkoblingssystemer for tunge maskiner, hvor det ikke er omsettelig å holde seg stabil under ekstreme forhold.
Vi har også stor global rekkevidde – 80 % av produktene våre eksporteres til markeder som USA, Tyskland, Japan, Italia, Malaysia, Australia og Midtøsten. Vi har et sterkt nettverk på tvers av Kina, Sør-Korea, Storbritannia, Singapore, USA og Spania, som lar oss lage tilpassede, effektive universalkoblinger for store kraftoverføringsalternativer. Disse er skreddersydd for spesifikke behov, som våre energibesparende universalkoblingsløsninger som oppnår opptil 98,6 % overføringseffektivitet – reduserer energibruken i oppsett med høy effekt.
Bærekraft og kundefokusert innovasjon er viktig for oss. Derfor tilbyr vi støysvake universalkoblingsalternativer som holder støy mellom 30-40 dB(A) – perfekt for industrielle steder der støy er et problem. Og vi sikkerhetskopierer alt med full ettersalgsstøtte. Vår forpliktelse til å gjøre ting riktig gjør Raydafon til en pålitelig partner i transmisjonsindustrien, og hjelper fagfolk med å få den beste ytelsen og påliteligheten ut av utstyret deres.
Adresse
Luotuo industriområde, Zhenhai-distriktet, Ningbo by, Kina
Tlf
E-post


+86-574-87168065


Luotuo industriområde, Zhenhai-distriktet, Ningbo by, Kina
Copyright © Raydafon Technology Group Co., Limited, Alle rettigheter reservert.
Links | Sitemap | RSS | XML | Personvernerklæring |
