QR kode
Produkter
Kontakt oss


Faks
+86-574-87168065

E-post

Adresse
Luotuo industriområde, Zhenhai-distriktet, Ningbo by, Kina
Hvis det tunge maskineriet ditt – tenk på konstruksjonsutstyr som drar last hele dagen eller landbrukshøstere som jobber uavbrutt gjennom plantesesongen – trenger en kobling som passer til trange steder, men som likevel leverer stort dreiemoment, er Raydafons SWP-G Super Short Flex Type Universalskjøtekobling akkurat det du leter etter. Den er bygget spesielt for de kompakte oppsettene der hver tomme teller, uten å spare på kraften du trenger.
Først, la oss snakke om størrelsen: den "superkorte" designen er ikke bare en etikett – den er laget for å klemme seg inn på trange steder andre koblinger ikke kan nå, noe som er en livredder når maskinens komponenter er pakket tett sammen. Dens svingningsdiametre varierer fra 225 mm til 350 mm, så den passer rett inn i oppsett av middels tungt utstyr. Som en kort fleksibel universalkobling, håndterer den opptil 5 graders vinkelfeil – nok til å ta hensyn til de små skiftingene som skjer når maskinen kjører hardt – mens den bærer dreiemoment på opptil 224 kN·m. Og den har et fleksibelt element innebygd, som absorberer støt og vibrasjoner, slik at de andre delene dine ikke tar støyten av slitasjen.
Vi kuttet ikke hjørner på materialer heller. Den er laget av høystyrkestål for holdbarhet og bronsekomponenter som gir jevnere bevegelser – slik at den tåler ujevnheter på byggeplasser eller støv og rusk på gårdsmarker. Det er derfor det er et toppvalg for universalkoblinger for tunge maskiner; det fungerer ikke bare én gang – det fortsetter, selv når forholdene blir rotete. For bønder er det også en pålitelig fleksibel kobling for landbruksutstyr, tøff nok til å håndtere høstsesongens lange timer uten å gå i stykker.
Hos Raydafon holder produksjonen vår i Kina strengt til ISO 9001-standarder – hver SWP-G-kobling blir kontrollert for kvalitet, fra stålet vi bruker til det fleksible elementets passform. Vi vet at ingen jobber er like, så vi tilbyr også skreddersydde løsninger – enten du trenger en liten justering av størrelsen eller en spesifikk justering for utstyret ditt. Og best av alt, den er konkurransedyktig priset – du får en slitesterk universalkobling som passer til plassen din og budsjettet ditt. For alle som er lei av koblinger som er for store, for svake eller for dyre, er denne SWP-G-modellen den enkle, høyytelsesløsningen du har lett etter.
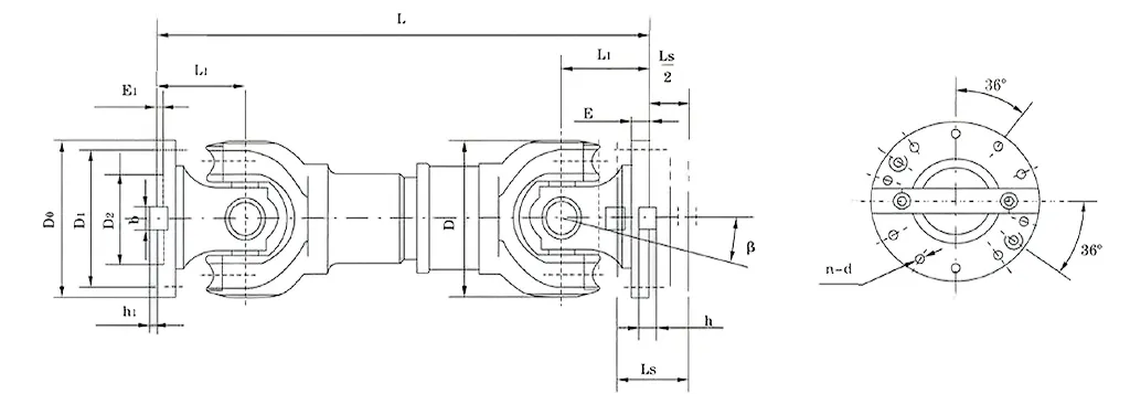
| Modell | SWP225G | Batch 250 g | SWP285G | SWP315G | SWP350G | |
| D | 225 | 250 | 285 | 315 | 350 | |
| Tn kn.m | 56 | 80 | 112 | 160 | 224 | |
| Tf KN.m | 28 | 40 | 56 | 80 | 112 | |
| β≤ | 5° | 5° | 5° | 5° | 5° | |
| Størrelse (mm) | S | 40 | 40 | 40 | 40 | 50 |
| L | 470 | 600 | 665 | 740 | 850 | |
| D | 275 | 305 | 348 | 360 | 405 | |
| D1 | 248 | 275 | 314 | 328 | 370 | |
| D2(H7) | 135 | 150 | 170 | 185 | 210 | |
| E | 15 | 15 | 18 | 18 | 22 | |
| E1 | 5 | 5 | 7 | 7 | 8 | |
| b-h | 32-18 | 40-18 | 40-24 | 40-24 | 50-32 | |
| h1 | 9 | 9 | 12 | 12 | 16 | |
| L1 | 80 | 100 | 120 | 135 | 150 | |
| n-d | 10-15 | 10-17 | 10-19 | 10-19 | 10-21 | |
| M(kg) | 78 | 142 | 190 | 260 | 355 | |
* Merk: Eksempler på merking: svingningsdiameter D=315 mm, monteringslengde L=620 mm, G type-Short uten flex type SWP315GX620 kobling
Raydafons SWP-G Super Short Flex Type Universal Joint Coupling er bygget for de trange stedene der du trenger både fleksibilitet og kraft. Den er laget for å flytte dreiemomentet effektivt i rom som ikke har plass til store deler, selv når akslene ikke er perfekt justert. Dette er ikke hvilken som helst kobling – det er en universalkobling med høyt dreiemoment som skinner når du trenger en kort lengde, men som nekter å spare på ytelsen, selv under tung belastning.
Ta for eksempel anleggsutstyr og tunge maskiner. Gravemaskiner som graver i tøff jord, lastere som flytter tonnevis med materiale – de har alle trange rom der deler gnis tett sammen. SWP-G passer inn som en pålitelig universalkobling for industrimaskiner, som absorberer vibrasjoner og håndterer den konstante bevegelsen disse maskinene håndterer. Den superkorte designen glir inn i trange sammenstillinger uten problemer, og sørger for at strømmen kommer dit den skal uten å ofre holdbarhet eller hvor godt den fungerer.
Bønder vil også sette pris på det. Traktorer som pløyer ujevne jorder, hogstmaskiner som jobber i ulendt terreng – de trenger koblinger som kan holde tritt med de humpete turene og skiftende hastigheter. Denne SWP-G fungerer som en solid universalkobling for drivaksler i landbruksutstyr, og tilpasser seg vinkelavvikene som følger med off-road arbeid. Det betyr mindre slitasje på maskineriet, så det varer lenger selv når feltforholdene blir tøffe.
Marineoppsett elsker det også, spesielt i trange motorrom på båter. Saltvann og fuktighet har ingen sjanse mot dens korrosjonsbestandige konstruksjon, noe som gjør den til et toppvalg som en marin universalkobling. Den håndterer de dynamiske belastningene fra bølger og fremdriftssystemer, og sørger for at ting går jevnt enten du er ute på havet eller i en travel havn.
Og la oss ikke glemme fornybar energi – vindturbiner som snurrer høyt oppe, solcellesporere som beveger seg med solen. Disse systemene trenger presis kontroll på begrensede steder, og SWP-G fremstår som en allsidig universalkobling for utstyr for fornybar energi. Den klarer høyt dreiemoment uten mye tilbakeslag, slik at du får pålitelig ytelse med lite behov for vedlikehold – perfekt for å holde bærekraftige energisystemer i drift.
Hos Raydafon selger vi ikke bare SWP-G – vi skreddersyr den til dine behov. Enten du jobber med anleggsutstyr, gårdsmaskiner, båter eller oppsett for fornybar energi, kan vi justere det slik at det passer akkurat det du bygger. Hvis du vil se hvordan denne koblingen kan gjøre driften din enklere, er det bare å ta kontakt med teamet vårt. Vi viser deg hvorfor det er det smarte valget for trange steder og tøffe jobber.
Raydafons SWP-G Super Short Flex Type Universal Joint Coupling skiller seg ut først for sin kompakte konstruksjon - denne tingen er designet for å presse seg inn i trange mekaniske oppsett der plassen er begrenset, men den sparer aldri på fleksibilitet eller dreiemoment. Hvis du har å gjøre med jobber med høyt dreiemoment, er det en toppledd universalkobling med høyt dreiemoment: den har avanserte flekselementer som lar den håndtere ganske store vinkelforskyvninger uten å ødelegge ytelsen, noe som er en game-changer for dynamiske miljøer der aksler skifter mens maskineri går.
Holdbarhet er en annen stor gevinst her. Vi bruker tøffe materialer med høy styrke og bygger hver del med presisjon, slik at den motstår slitasje og tretthet selv når den kjører uavbrutt. Det gjør den til en solid universalkobling for industrimaskiner – tenk på pumper som går hele dagen eller kompressorer under konstant belastning. Den absorberer støt og vibrasjoner, og holder kraftoverføringen jevn slik at utstyret ditt ikke belastes unødvendig.
Den superkorte lengden er også en livredder for drivsystemer. Når du jobber med bil- eller transportoppsett, er hver tomme viktig – og denne koblingen passer inn som en effektiv universalkobling for drivaksler. Den bruker boltede eller nøkkelforbindelser, så det går raskt å feste den, og det reduserer vedlikeholdstiden senere. I tillegg takler den aksiale bevegelser godt, slik at du ikke trenger å bekymre deg for at den sklir eller passer feil ettersom deler skifter under bruk.
Korrosjonsbestandighet? Det har det dekket. Vi legger til beskyttende belegg som tåler tøffe ting – som saltvann i marine oppsett. Derfor fungerer den utmerket som en marin universalkobling for fremdriftssystemer: den kan håndtere saltsprut og variabel belastning ute på sjøen uten å ruste eller gå i stykker, og holder båtene i gang.
Og hvis du er fokusert på miljøvennlige oppsett, leverer denne koblingen også der. Den overfører energi nøyaktig med knapt noe tilbakeslag, så den sløser ikke med strøm. Det gjør den til en pålitelig universalkobling for utstyr for fornybar energi – perfekt for vindturbiner som snurrer i vinden eller solcellesporere som beveger seg med solen. Det holder de bærekraftige systemene i gang effektivt, noe som er akkurat det du trenger for grønne energiprosjekter.
Hos Raydafon sørger vi for at hver SWP-G oppfyller strenge kvalitetsstandarder, og vi kan tilpasse den for å passe dine spesifikke behov – enten du trenger et annet belegg, en litt justert lengde eller en tilpasset tilkobling. Hvis du vil vite mer om spesifikasjonene eller hvordan du integrerer den i oppsettet ditt, er det bare å snakke med spesialistene våre. Vi hjelper deg med å få akkurat det maskinen din trenger.
⭐⭐⭐⭐⭐ Li Jian, senioringeniør, Shanghai Industrial Equipment Co., Ltd.
Vi har hatt Raydafons SWP-G Super Short Flex Type Universal Joint Coupling på produksjonslinjen vår i noen måneder nå, og den har ærlig talt overgått det vi håpet på. Maskinene våre har alltid hatt trangt om plass – hver tomme betyr noe – og denne koblingens kompakte design passer som den ble laget bare for dem, ikke lenger klemme deler for å få plass. Men den sparer heller ikke på funksjonen: selv når det er litt feiljustering (som er uunngåelig ved mye bruk), holder dens fleksibilitet kraftoverføringen jevn, ingen støt eller hikke.
Den er også tøff – takler oppgaver med høyt dreiemoment uten å svette, og etter måneder med løping har vi knapt sett noen slitasje. Installasjonen var også en rask jobb; teamet vårt hadde den satt opp på kort tid, og den har vært pålitelig siden den gang. For alle med utstyr med begrenset plass som fortsatt trenger kraftig ytelse, er denne koblingen en no-brainer.
⭐⭐⭐⭐⭐ Emily Walker, teknisk direktør, New York Manufacturing Solutions, USA
Vi byttet ut våre gamle, klumpete koblinger med Raydafons SWP-G på vårt anlegg i New York, og forskjellen var tydelig fra dag én. De gamle enhetene tok opp altfor mye plass og føltes alltid klønete - men denne passer rett inn i de trange stedene, og kraftoverføringen? Glatt og stødig, selv når vi presser maskinene for å håndtere høy belastning.
Den største gevinsten er imidlertid nedetiden. Vi pleide å stoppe produksjonen med noen ukers mellomrom for å finpusse eller fikse de gamle koblingene, men med denne? Knapt noen. Vedlikeholdskostnadene har også sunket – ingen hyppigere utskifting av deler eller nødreparasjoner. Og da vi hadde et spørsmål om installasjon, kom Raydafons kundeservice raskt tilbake til oss med klare svar. Vi planlegger allerede å bruke produktene deres for vår neste oppgradering; de har fortjent vår tillit.
⭐⭐⭐⭐⭐ Andrea Rossi, driftssjef, Milan Engineering, Italia
Å legge til Raydafons SWP-G-kobling til vårt Milano-maskineri var en av de beste samtalene vi har gjort for vårt høypresisjonsarbeid. I vår arbeidslinje er plass og justering make-or-break - hvis en del er for stor eller ikke kan håndtere små feiljusteringer, kaster det av seg hele prosessen. Denne koblingen sjekker begge boksene: dens lille størrelse passer til våre trange oppsett, og den fleksible designen holder driften jevn, uansett de mindre justeringene vi trenger.
Siden vi installerte den, har vi hatt mye mindre vedlikeholdshodepine – ikke lenger å stoppe produksjonen for å fikse opprettingsproblemer eller bytte ut slitte deler. Og når vi kjører den i høye hastigheter (som vi gjør daglig), holder den seg perfekt. Holdbarhetsmessig har den også overgått det vi forventet – etter måneder med mye bruk, ser den fortsatt ut og fungerer som ny. Hvis du trenger en kobling av høy kvalitet for presisjonsarbeid, er Raydafon veien å gå.
⭐⭐⭐⭐⭐ Jean-Claude Lefevre, vedlikeholdsleder, Lyon Mechanical Works, Frankrike
Vi har kjørt Raydafons SWP-G-kobling i maskinene våre i over seks måneder nå, og det har vært en game-changer for teamet vårt. For det første, det kompakte designet – utstyret vårt har så trange plasser, og denne koblingen glir rett inn uten at vi trenger å omorganisere andre deler. Så er det fleksibiliteten: det fjerner stresset fra maskinene våre, noe som betyr mindre slitasje på andre komponenter og færre havarier.
Selv når vi kjører tunge belastninger, forblir ytelsen konsekvent – ingen fall, ingen rare lyder, bare pålitelig drift. Installasjonen var også enkel; teknikerne våre trengte ikke å bruke timer på å finne ut av det. Den beste delen? Produksjonslinjeeffektiviteten vår er langt opp nå, takket være mindre nedetid. Vi vil absolutt fortsette å bruke Raydafons produkter – denne koblingen har bevist at den er verdt det.
Raydafons SWP-G Super Short Flex Type Universal Joint Coupling fungerer ved å bruke fleksibel dreiemomentoverføring - tenk på den som en bro mellom aksler som kan bevege seg litt uten å bryte forbindelsen. Den bruker elastomere elementer (fancy for fleksible, gummilignende deler) for å håndtere feiljusteringer, samtidig som den sørger for at kraften kommer fra den ene akselen til den andre uten å kaste bort energi. Som en kompakt universalkobling med høyt dreiemoment, har den en sentral fleksibel skive eller edderkopp som absorberer vinkel-, aksial- og radielle skift – så selv når akslene ikke er perfekt på linje, forblir rotasjonen jevn, selv i de trange stedene der hver tomme teller.
Hjertet av hvordan det fungerer er i dens superkorte design. Den kombinerer tøffe, fleksible komponenter som kan bøye seg litt under belastning for å kompensere for forskyvninger, noe som hindrer for mye stress fra å treffe maskinene dine. Det er derfor det er en så solid universalkobling for industrimaskiner – enten hastigheter eller belastninger endres, passerer den rotasjonskraft sammen med knapt noe tilbakeslag, slik at utstyret ditt holder seg stabilt.
Her er sammenbruddet: inngangsakselen spinner, noe som beveger det fleksible elementet, og det elementet fører deretter dreiemomentet over til utgangsakselen ved å bøye seg akkurat nok - ingen rykk, ingen bråstopp. Dette er en stor sak for drivaksler, noe som gjør den til en pålitelig universalkobling for drivaksler i oppsett som drivverk for biler, hvor du trenger presis justering, men ikke har mye plass å jobbe med.
Når ting blir tøffe – som i marine miljøer med bølger som kaster båten rundt – suger SWP-Gs flexdesign opp vibrasjoner og støt, noe som hjelper den vare lenger. Det er en tøff marin universalkobling fordi de fleksible delene motstår korrosjon og håndterer frem og tilbake bevegelser fra bølger, og holder fremdriften effektiv uansett hvor hakkete vannet blir.
Og for grønne energioppsett? Dette prinsippet skinner også der. Den beveger energieffektivt, med nesten ingen tap, noe som gjør den til en flott universalkobling for utstyr for fornybar energi. Enten det er i kompakte solcellesporere eller små vindturbiner, holder det ting i gang uten å sløse med strøm – perfekt for bærekraftige systemer der hver bit av effektivitet teller.
Hos Raydafon bygger vi SWP-G for å være pålitelig og klar til å passe dine spesifikke behov. Hvis du vil ha de tekniske detaljene eller trenger hjelp til å finne ut hvordan det passer inn i oppsettet ditt, er spesialistene våre her for å lede deg gjennom det – ingen sjargong, bare klare svar.
Adresse
Luotuo industriområde, Zhenhai-distriktet, Ningbo by, Kina
Tlf
E-post


+86-574-87168065


Luotuo industriområde, Zhenhai-distriktet, Ningbo by, Kina
Copyright © Raydafon Technology Group Co., Limited, Alle rettigheter reservert.
Links | Sitemap | RSS | XML | Personvernerklæring |
