QR kode
Produkter
Kontakt oss


Faks
+86-574-87168065

E-post

Adresse
Luotuo industriområde, Zhenhai-distriktet, Ningbo by, Kina
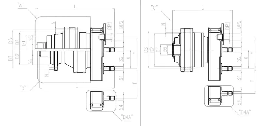
| Modell | PG-702 | PG-1002 | PG-1602 | PG-1802 | PG-2502 | PG-3002 | PG-3503 | |||
| Forhold i | 18.2 | 18.3 | 13,4-33,6 | 15,7-29,9 | 14.6-20-36.2 | 45.3 | 53.7 | |||
| Utgangstype | B | B | B | C | B | C | A | C | C | C |
| D1 |
|
|
|
88HB |
|
88HB | 245F7 | 102H7 | 102H7 | 122HF |
| D2 | 200F7 | 230F7 | 230F7 | 278F7 | 230F | 278F7 | 340F7 | 340F7 | 340F7 | 340F7 |
| D3 | 250 | 295 | 295 | 314 | 295 | 314 | 370 | 370 | 370 | 370 |
| N | ∅15×N°12 | ∅17×N°10 | ∅17×N°10 | ∅15×N°18 | ∅17×N°10 | ∅15×N°18 | ∅17×N°15 | ∅17×N°15 | ∅17×N°15 | ∅17×N°15 |
| L | 646.5 | 627.5 | 693 | 490.5 | 714 | 499.5 | 798.5 | 595.5 | 601 | 680.5 |
| S6 | 70*64 DIN5482 | 80*74 DIN5482 | 100*94 DIN5482 | 80*74 DIN5482 | 100*94 DIN5482 | 80*74 DIN5482 | 100*94 DIN5482 | 100*94 DIN5482 | 100*94 DIN5482 | 120*22*5 DIN5482 |
| S1 | 1" 3/8 Z6 | 1" 3/8 Z6 | 1" 3/8 Z6 | 1" 3/8 Z6 | 1" 3/8 Z6 | 1" 3/8 Z6 | 1" 3/8 Z6 | 1" 3/8 Z6 | 1" 3/8 Z6 | 1" 3/8 Z6 |
| S2 | 1" 3/8 Z6 | 1" 3/8 Z6 | 1" 3/8 Z6 | 1" 3/8 Z6 | 1" 3/8 Z6 | 1" 3/8 Z6 | 1" 3/8 Z6 |
|
|
|
| DP1 | 40*36 DIN5482 | 40*36 DIN5482 | 40*36 DIN5482 | 40*36 DIN5482 | 40*36 DIN5482 | 40*36 DIN5482 | 40*36 DIN5482 | 40*36 DIN5482 | 40*36 DIN5482 | 40*36 DIN5482 |
| DP2 | 60,3 HB | 60,3 HB | 60,3 HB | 60,3 HB | 60,3 HB | 60,3 HB | 60,3 HB | 60,3 HB | 60,3 HB | 60,3 HB |
| X | 157 | 157 | 157 | 157 | 157 | 157 | 157 | 157 | 157 | 157 |
| Y | 262 | 262 | 262 | 262 | 262 | 262 | 262 | 262 | 262 | 262 |
| S4 |
|
|
|
1" 3/8 Z6 |
|
1" 3/8 Z6 |
|
1" 3/8 Z6 | 1" 3/8 Z6 | 1" 3/8 Z6 |
| T |
|
|
|
156.8 |
|
156.8 |
|
156.8 | 156.8 | 156.8 |
| Modell | Forhold i | D1 | D2 | D3 | D4 | N | E |
| PG-1602 | 22.14-33.6 | 80*74 DIN5482 | 225 F7 | 278 F7 | 314 | ∅15×N°18 | SAE B/SAE C |
| PG-2502 | 20-36,2 | 100*94 DIN5482 | 245 F7 | 340F7 | 370 | ∅17×N°15 | SAE B/SAE C |
| Modell | Forhold i | D1 | D2 | D3 | N | E |
| PG-161 | 3,55-2,49-5,60 | 40*36 DIN5482 | 110 F7 | 165 | ∅10,5×N°8 | SAE A/SAE B/SAE BB/OMTS |
| PG-251 | 4.13-5.17-6.00 | 58*53 DIN5482 | 150 F7 | 195 | ∅13×N°10 | SAE A/SAE B/SAE BB/OMTS |
| PG-501 | 4.13-5.17-6.00 | 58*53 DIN5482 | 150 F7 | 195 | ∅13×N°10 | SAE A/SAE B/SAE BB/OMTS |
Utviklingen avPG serie fôrblander planetgirkassestammer fra en dyp innsikt i smertepunktene til transmisjonssystemet til tradisjonelt blandeutstyr. Dens tre planetgir distribuerte transmisjonsarkitektur er ikke en enkel stabling av mekaniske strukturer, men gjennom gjentatt simulering av spenningsforholdene under forskjellige råmaterialeforhold, blir den gylne kombinasjonen av girmodul, tannbredde og spiralvinkel endelig bestemt. For eksempel, når du behandler maisstilker og soyabønnemelblandinger, kan dens unike evolvente tanndesign redusere risikoen for fastklemming av materialet med 15 %. Med høypresisjonsslipeprosessen kontrolleres tannoverflatens ruhet under Ra0,8, noe som øker transmisjonseffektiviteten med 8%-10% sammenlignet med tradisjonelle girkasser. De målte dataene fra en fôrfabrikk viser at i 12 timers kontinuerlig drift per dag er energiforbruket til denne girkassen 14 % lavere enn for lignende produkter, og dreiemomentfluktuasjonsamplituden til blandeakselen reduseres med 22 %, noe som forbedrer blandeens jevnhet betydelig.
For harde partikler som sand, stein og metallrester som ofte er blandet i fôrråvarer, har denne girkassen vært målrettet når det gjelder materialer og prosesser. Girhuset er laget av 20CrMnTi legert stål. Etter bråkjølingsbehandling med en karbureringsdybde på 1,2 mm, kombinert med en tempereringsprosess ved lav temperatur, økes utmattelsesstyrken for tannroten til mer enn 850 MPa. Under de ekstreme arbeidsforholdene med ufullstendig sikting av råmaterialer i en ranch, har dens gropmotstand motstått en kontinuerlig 500-timers støttest på sand og grus, og bare små riper dukket opp på tannoverflaten uten avskalling. Samtidig, ved å optimalisere ribbeplateoppsettet og lagerforspenningen til planetbæreren, kan girkassen fortsatt opprettholde overføringsnøyaktigheten når den utsettes for en øyeblikkelig støt på 1,5 ganger det nominelle dreiemomentet, og unngår risikoen for feiljustering av gir eller tannbrudd forårsaket av overbelastning.
Den intelligente utformingen av girkassen er avledet fra en dyp forståelse av smertepunktene ved drift og vedlikehold i fôrforedlingsindustrien. Den innebygde intelligente overvåkingsmodulen er ikke en enkel datainnsamler, men en kryssanalyse av temperatur, vibrasjon, strøm og andre signaler gjennom en algoritmemodell. For eksempel, når lagertemperaturen oppdages å være unormalt høy, vil systemet kombinere lasthistorikkdataene for å avgjøre om det er utilstrekkelig smøring eller lagerslitasje, og gi spesifikke vedlikeholdsanbefalinger. Etter å ha tatt i bruk dette systemet, unngikk et fôrfirma tre uplanlagte nedetider ved å bytte ut fett og justere lagerklaringen på forhånd, og den totale utstyrseffektiviteten (OEE) økte med 18 %. I tillegg ble utformingen av den modulære hurtigutløsningsstrukturen inspirert av tilbakemeldingene fra vedlikeholdspersonell i frontlinjen. Bare fire bolter må løsnes for å fullføre den totale utskiftingen av planetgirsettet, og vedlikeholdstiden er forkortet fra 4 timer med den tradisjonelle strukturen til 1,5 timer.
Når det gjelder miljøvern og energieffektivisering, stammer den innovative utformingen av girkassen fra den nøyaktige forståelsen av behovene til fôrindustrien for å redusere kostnader og øke effektiviteten. Dens varmespredningsstruktur øker ikke blindt varmespredningsområdet, men optimerer spiralvinkelen og avstanden mellom varmespredningsribbene gjennom simulering av fluidmekanikk, slik at den naturlige varmespredningseffektiviteten økes med 30 %, og reduserer dermed energiforbruket til kjøleviften. I smøresystemet brukes to-sone oljetilførselsteknologi for å dynamisk justere oljevolumet i henhold til belastningen, unngå "oversvømmende" smøremetoden til tradisjonelle girkasser, og redusere smøremiddelforbruket med 25%. Selve målingen av en fôrproduksjonslinje eksportert til Europa viser at støynivået til girkassen er 5dB lavere enn EU-standarden, og energieffektivitetsnivået når IE3-standarden, noe som hjelper kundene med å bestå energieffektivitetssertifiseringen til importlandet. Dette designkonseptet som dypt binder tekniske detaljer med kommersiell verdi er nøkkelen til produktets vinnende markedsanerkjennelse.
Hallo! Jeg er Elena García, en kunde fra Barcelona, Spania. Vi har brukt planetgirkassen din i vårt solcellepanelsporingssystem i ett og et halvt år. Dette utstyret har fullstendig løst problemet vårt med solskinnsporingsnøyaktighet – girkassen vi brukte før hadde alltid et sporingsavvik på ca. 5 grader hver morgen og kveld, mens planetgirkassen din med koder kan kontrollere sporingsfeilen innenfor 0,5 grader. Nå har den gjennomsnittlige daglige kraftproduksjonen av solcellepaneler økt med 18 % sammenlignet med tidligere, og til og med strømregningen er blitt betydelig tynnere. Nå har denne planetgirkassen tålt testen med saltsprut og sterk vind i solcellekraftverket ved sjøen. Anti-korrosjonsbelegget på girkassehuset har ikke vist tegn til å falle av, og den innvendige giroljen trenger ikke skiftes like ofte som før. Jeg ser frem til å samarbeide med deg i flere fornybar energiprosjekter i fremtiden!
Jeg er Hans Müller, en maskiningeniør fra Tyskland. For et halvt år siden kjøpte jeg Raydafons planetgirkasser for produksjonslinjeoppgraderinger. Etter å ha brukt dem overgikk de forventningene mine! Utstyret kjører med høy belastning i 16 timer om dagen for å behandle høyviskose råvarer. Girkassestøyen reduseres med 20 %, gireffektiviteten er stabil på mer enn 94 %, temperaturstigningen kontrolleres alltid innenfor 25°C, og holdbarheten er langt overlegen de gamle modellene. Teamet ditt var profesjonelt og effektivt gjennom hele prosessen, fra tidlig parameteroptimalisering, justering av forseglingsstruktur til veiledning for fjernfeilsøking. Den detaljerte designen (som støvtette tetninger og standardiserte monteringshull) gjenspeiler videre en dyp forståelse av de faktiske arbeidsforholdene. Raydafons produktkvalitet og servicenivå fikk meg til å inkludere den i listen over langsiktige leverandører uten å nøle, og anbefale den på det sterkeste til mine jevnaldrende!
Jeg har drevet en ranch i så mange år og har skiftet mange girkasser. Det var ikke før jeg brukte Raydafons planetgirkasse at jeg virkelig skjønte hva det vil si å være bekymringsfri! Utstyret jeg brukte før var alltid underdrevet ved blanding av ensilasje, og girene gled ofte. Jeg hadde ikke forventet at planetgirkassen din skulle være så kraftig. Produktet ditt er mye enklere å installere enn jeg trodde, og det er også enkelt å vedlikeholde. Sist gang jeg selv gjorde en daglig inspeksjon fant jeg ut at girkassen var veldig godt tette og det var ingen tegn til oljelekkasje i det hele tatt. Jeg vil definitivt fortsette å støtte deg i fremtiden og anbefale deg til mine ranchervenner! ----Mark Johnson
Adresse
Luotuo industriområde, Zhenhai-distriktet, Ningbo by, Kina
Tlf
E-post


+86-574-87168065


Luotuo industriområde, Zhenhai-distriktet, Ningbo by, Kina
Copyright © Raydafon Technology Group Co., Limited, Alle rettigheter reservert.
Links | Sitemap | RSS | XML | Personvernerklæring |
