QR kode
Produkter
Kontakt oss


Faks
+86-574-87168065

E-post

Adresse
Luotuo industriområde, Zhenhai-distriktet, Ningbo by, Kina
Hvis du har å gjøre med maskineri som pumper som flytter væsker hele dagen, vifter som holder rom ventilert, eller tekstilutstyr som går uten stans – trenger du en kobling som er fleksibel nok til å håndtere små feiljusteringer, men tøff nok til å holde momentet i bevegelse. Det er akkurat det Raydafons NL Type Nylon Gear Flexible Coupling er bygget for. Den håndterer opptil 4 mm aksial forskyvning og 2 graders vinkelforskyvning, så selv når akslene dine ikke er perfekt på linje, holder den utstyret i gang uten problemer.
Vi har modeller fra NL1 helt til NL10, så det passer for nesten alle lette til middels tunge jobber. Dreiemomentkapasiteter varierer fra 40 N·m til 3150 N·m, og borediametere går fra 6 mm til 100 mm – du trenger ikke å lete etter en størrelse som er for stor eller for liten. Det som gjør denne fleksible nylonkoblingen skiller seg ut er dens konstruksjon: en høystyrke nylonhylse sammen med stålnav. Den kombinasjonen betyr at den går stille, og at du knapt trenger å røre den for vedlikehold – ingen konstante kontroller eller reparasjoner som bremser deg. Det er en go-to for fleksible girkoblinger for industrimaskiner, og hvis du spesifikt jobber med pumper, er det en av de mest pålitelige nylonhylse girkoblingene for pumper rundt omkring. I tillegg passer den kompakte designen inn i trange oppsett, og den fungerer jevnt mellom -20 °C og +70 °C – uansett om arbeidsplassen din er kald eller varm.
Hos Raydafon lager vi disse koblingene i Kina, og vi holder oss strengt til ISO 9001-standardene – hver del blir sjekket for å sikre at den er holdbar og klar til å vare. Nylonhylsen er ikke bare sterk, den er ikke-ledende og korrosjonsbestandig også. Det er en game-changer for fuktige rom eller områder med kjemikalier, der andre koblinger kan ruste eller kortslutte - denne fortsetter lenger. Og den enkle strukturen gjør montering og demontering til en lek: ingen kompliserte verktøy, bare raskt arbeid når du trenger å bytte den ut eller utføre vedlikehold. Det er derfor det er et toppvalg for spesialtilpassede girkoblinger i nylon - vi kan tilpasse den for å passe til ditt spesifikke oppsett - og det er en av de mest holdbare fleksible girkoblingene for tekstilutstyr, som holder opp til den konstante bevegelsen til veve- eller spinnemaskiner.
Vi tilbyr alle slags størrelser og akselkonfigurasjoner, slik at du får en kobling som er skreddersydd for maskineriet ditt – ikke et alternativ som passer til ingen. Og vi holder prisen konkurransedyktig, slik at du ikke trenger å bruke for mye for kvalitet. For bedrifter over hele verden betyr dette mindre nedetid (siden det er enkelt å installere og vedlikeholde) og bedre utstyrseffektivitet – akkurat det du trenger for å holde driften jevn.
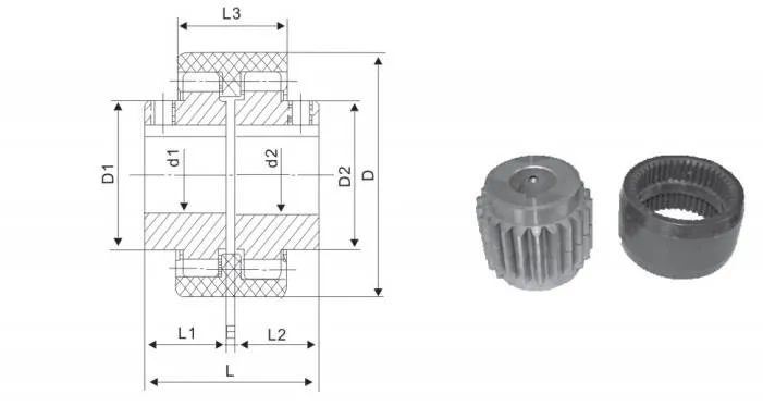
Kjernearbeidslogikken til den fleksible koblingen i nylon-gir av NL-typen er avhengig av de inngripende tannhjulstennene for å oppnå dreiemomentoverføring, mens nylonhylsen på innsiden, som en viktig fleksibel komponent, ikke bare effektivt kan kompensere for feiljustering av akselsystemet, men også spille en viktig rolle i å absorbere støt. I denne strukturelle designen er to nav med utvendige tenner koblet sammen gjennom en innebygd nylon innvendig girhylse. Denne kombinasjonen sikrer ikke bare effektiv kraftoverføring i mekaniske systemer, men reduserer også betydelig vibrasjoner og støt som genereres under drift. Denne designfordelen er spesielt tydelig i brukstilfeller av NL type nylon gir fleksible koblinger som må tilpasses små og mellomstore utstyr.
Når drivakselen overfører dreiemoment til et av navene, vil de ytre tennene på navet gripe nøyaktig inn i de indre tennene til den indre girhylsen i nylon, og deretter vil den indre nylongirhylsen jevnt overføre kraft til det andre navet som er koblet til den drevne akselen. Selv under arbeidsforhold hvor det er vinkelmessig, parallell eller aksial feiljustering i akselsystemet, kan denne inngripende overføringsmekanismen fortsatt sikre stabil drift av utstyret. Derfor, i felt som krever pålitelige fleksible girkoblingsløsninger, for eksempel transmisjonssystemene til automatiserte produksjonslinjer, krafttilkoblingen til pumpeutstyr og drivenhetene til transportører, er den fleksible koblingen i nylon type NL et foretrukket produkt.
Nylonmaterialet som brukes i den fleksible koblingen av nylongir av NL-type har i seg selv utmerket elastisitet og dempende egenskaper, som ikke bare kan redusere slitasjen på det mekaniske utstyret som er koblet til det, men også forlenge levetiden til hele overføringssystemet. Som en profesjonell produsent av girkoblinger velger Raydafon avanserte materialer og optimerer produksjonsprosessen når de produserer koplinger av NL-type, noe som gjør at produktene opprettholder utmerket ytelse under komplekse arbeidsforhold i ulike bransjer. For eksempel, i scenarier som omhandler variabel belastning, kan den fleksible koblingen av nylongir av NL-type produsert av Raydafon stole på sin utmerkede kompensasjonsevne for feiljustering for å unngå transmisjonsfeil forårsaket av feiljustering av akselsystemet og redusere utstyrets nedetid.
For å holde den fleksible koblingen i nylongir av NL-typen og opprettholde stabil arbeidseffektivitet, er daglig vedlikehold avgjørende, blant annet regelmessig smøring av tannhjulsdelene er en nøkkelledd. Rimelig smøring kan redusere friksjonstap under tanninngrep, forbedre driftsstabiliteten til koblingen ytterligere og redusere sannsynligheten for feil. Generelt er arbeidsprinsippet for den fleksible koblingen i nylon-gir av NL-typen å oppnå sterk dreiemomentoverføring samtidig som man tar hensyn til fleksibiliteten og stabiliteten til transmisjonssystemet gjennom den synergistiske effekten av det stive navet og den fleksible nylonhylsen. Som en erfaren leverandør av girkoblinger kontrollerer Raydafon alltid produktpresisjon og pålitelighet i strenge standarder for å sikre å gi kunder i ulike bransjer med NL-type fleksible koblingsprodukter av nylongir med sterk tilpasningsevne og høy holdbarhet.
NL Type Nylon Gear Flexible Coupling er spesielt utviklet for høyytelsesapplikasjoner i krevende mekaniske scenarier. Den sikrer stabil kraftoverføring mens den fleksibelt tilpasser akselfeil, noe som gjør den til et svært konkurransedyktig alternativ i kategorien nylonhylse girkoblinger. Et viktig designhøydepunkt for denne koblingen ligger i dens høystyrke nylonhylse, som ikke bare gir koblingen utmerket elastisk deformasjonsevne, men også betydelig forbedrer holdbarheten til den generelle strukturen. Dette gjør den spesielt egnet som en kritisk fleksibel nylonhylse girkoblingskomponent i industrielt utstyr som opererer over lengre perioder.
Når det gjelder dreiemomentoverføringskapasitet, leverer NL Type Nylon Gear Flexible Coupling enestående ytelse, og håndterer enkelt belastningskrav med høyt dreiemoment. Enten i kraftige verktøymaskiner, gruvemaskiner eller storskala transportørutstyr – som alle krever høy pålitelighet i kraftoverføring – fungerer det stabilt, og etablerer seg som en foretrukket nylongirkoblingsmodell med høyt dreiemoment for mange arbeidsforhold med høyt dreiemoment. Når man tar opp det vanlige problemet med feiljustering av akselen under mekanisk drift, viser denne fleksible nylongirkoblingen også utmerket tilpasningsevne. Den kan effektivt absorbere og kompensere for vinkelforskyvning, parallell forskyvning og aksial forskyvning, og reduserer dermed den ekstra belastningen på tilkoblede aksler betydelig og bidrar til å forlenge levetiden til hele transmisjonssystemet. Denne funksjonen er spesielt avgjørende for produksjonsutstyr som krever langsiktig kontinuerlig drift.
Videre har nylonmaterialet til NL Type Nylon Gear Flexible Coupling iboende utmerket støtdemping og bufferegenskaper. Under drift av utstyret kan det effektivt redusere virkningen av vibrasjoner og støt, og sikre jevnere drift av transmisjonssystemet. Følgelig, under dynamiske arbeidsforhold med hyppige vibrasjoner, har det blitt den foretrukne støtdempende nylon girkoblingsløsningen for mange bedrifter. Når det gjelder korrosjonsmotstand, i tillegg til nylonhylsens utmerkede kjemiske korrosjonsmotstand, gjennomgår metallkomponentene i denne koblingen spesialbehandling, noe som muliggjør stabil drift i fuktige, støvete eller svakt korrosive omgivelser. Sammenlignet med tradisjonelle stive koblinger, viser den sterkere tilpasningsevne under tøffe arbeidsforhold, og oppfyller fullt ut industrisektorens krav til holdbare nylongirkoblinger.
Fra perspektivet til drift og vedlikehold har NL Type Nylon Gear Flexible Coupling en vedlikeholdsfri design. Det eliminerer behovet for hyppig tilsetning av smøremiddel eller justeringer, noe som ikke bare reduserer arbeidsbelastningen ved daglig vedlikehold, men også reduserer risikoen for utstyrsfeil forårsaket av feil vedlikehold. Dette kontrollerer effektivt driftskostnader og nedetid, perfekt i tråd med utvalgskriteriene til bransjer som søker effektiv produksjon med lavt forbruk for fleksible girkoblinger med lite vedlikehold. I mellomtiden er dens generelle struktur lett og kompakt, noe som muliggjør enkel og rask installasjon og demontering. Selv i utstyrsoppsett med begrenset plass, kan monteringen av denne kompakte nylongirkoblingen enkelt fullføres, noe som ytterligere forbedrer effektiviteten av utstyrsinstallasjon og vedlikehold.
Oppsummert, integrering av NL Type Nylon Gear Flexible Coupling i et transmisjonssystem gir mer stabil og effektiv driftsstøtte for utstyr. Spesielt innenfor presisjonsproduksjonsfeltet, der høypresisjonstransmisjon er nødvendig, oppfyller denne høyytelses nylonhylse girkoblingen – med sin optimaliserte design – fullt ut de mange kravene til transmisjonsnøyaktighet, pålitelighet og tilpasningsevne, og fungerer som en viktig komponent for å forbedre utstyrets generelle ytelse.
NL Type Nylon Gear Flexible Coupling fungerer som en overføringsdel for alle slags mekaniske oppsett som trenger jevn kraftoverføring. Det som får den til å skille seg ut er nylonhylsen – den bøyer seg akkurat for å absorbere vibrasjoner og fikse små akselfeil, så den er perfekt for enhver bruk av girkoblinger der du trenger pålitelig dreiemoment uten at deler slites ut for fort.
Ta industrimaskiner, for eksempel. Denne koblingen er flott for å koble opp motorer til pumper eller kompressorer. Når disse maskinene kjører, sender de ofte plutselige sjokkbelastninger gjennom systemet, men NL Type Nylon Gear Flexible Coupling letter den påvirkningen, og hjelper hele oppsettet å vare lenger. Og på transportbånd – du vet, de som flytter materialer uten stans i fabrikker – sørger denne industrielle nylonhylse girkoblingen for at ting går jevnt selv når lasten endres. I motsetning til gamle stive koblinger som ofte går i stykker, reduserer denne nedetiden og pengene du bruker på å fikse ting.
Bil- og transportverdenen bruker det også, spesielt for drivaksler og styredeler. Biler og lastebiler må håndtere mange vridende vibrasjoner når de beveger seg, men denne fleksible girkoblingen for bilkjøring suger dem opp. Det gjør ikke bare kjøretøyet bedre, men også sikrere – ingen rare rystelser som kaster av styringen eller sliter ned drivverket.
Når det gjelder presisjonsgirkoblinger, som CNC-maskiner eller industriroboter, skinner denne koblingen virkelig. Disse maskinene spinner raskt og trenger supernøyaktige bevegelser, men selv små akselfeil (som vinkler eller parallelle skift) kan rote til ting. NL Type Nylon Gear Flexible Coupling løser disse problemene samtidig som den holder tritt med høye hastigheter. Det er derfor så mange selskaper som bygger automatiserte samlebånd ser etter denne nylongirkoblingen for presisjons CNC-utstyr når de trenger tilpassede oppsett.
Du finner det også i HVAC-systemer og vannbehandlingsanlegg. Disse stedene bruker vifter og blåsere mye, og hvis de delene vibrerer for mye, blir de høye og bryter sammen. Denne vibrasjonsdempende fleksible girkoblingen for HVAC-vifter holder støyen nede og utstyret kjører jevnt – ingen uventede stopp i oppvarming/kjøling eller vannbehandlingsprosesser.
Alt i alt er NL Type Nylon Gear Flexible Coupling et budsjettvennlig valg for nesten alle bransjer. Den er tøff, enkel å installere og får jobben gjort. Hvis du leter etter en pålitelig leverandør av industrielle girkoblinger, kan Raydafon koble deg opp med tilpassede alternativer som passer akkurat dine behov – slik at du får den beste ytelsen og en langvarig del.
⭐⭐⭐⭐⭐ Wang Lei, maskiningeniør, Guangzhou Machinery Co., Ltd.
Vi har hatt Raydafons NL Type Nylon Gear Flexible Coupling på våre samlebånd en stund nå, og den har vært en jevn ytelse – mye mer pålitelig enn noen av de andre koblingene vi har prøvd. Nylongirdesignet er det som skiller seg ut her: det beveger dreiemomentet jevnt, ingen rykkende overføringer, og det reduserer vibrasjonene så mye at du faktisk kan se forskjellen på hvordan maskinene kjører.
Installasjonen gikk også som en lek. Vi har ikke mye ekstra plass i utstyret vårt, men denne koblingen passet perfekt rett ut av esken – det er ikke nødvendig å endre noe. Den har kjørt uavbrutt, og det er knapt noen tegn til slitasje; at holdbarheten betyr at vi ikke stopper produksjonen for å fikse eller erstatte den så ofte. Alt i alt er det et solid, kostnadseffektivt valg som gjør akkurat det vi trenger det til.
⭐⭐⭐⭐⭐ John Smith, fabrikksjef, Chicago Industrial Solutions, USA
Vi byttet ut den gamle metallkoblingen vår med Raydafons NL Type Nylon Gear på vårt anlegg i Chicago, og endringen var natt og dag – du kunne føle det i det sekundet vi fyrte opp maskinene. Vibrasjonen som pleide å skrangle deler løs? Borte. Den høye summingen fra den gamle koblingen? Roet ned så mye at gulvet føles roligere. Og kraftoverføring? Glatt som det kan være, selv når vi kjører tunge belastninger.
Dessuten takler den feiljustering mye bedre enn metallet man noen gang har gjort – ikke mer finjustering hver uke for å holde ting på rett spor. Raydafon fikk det raskt til oss også; Leveringen var rett etter planen, og kvaliteten er på topp – ingen billige deler eller dårlig arbeid. Jeg har allerede fortalt noen andre anleggsledere om det; dette er den typen produkt du ønsker å gi beskjed om.
⭐⭐⭐⭐⭐ Anna Müller, vedlikeholdsleder, Munich Engineering, Tyskland
Vi satte Raydafons NL Type-kobling i høyhastighetsmaskineriet vårt for noen måneder tilbake, og det har vært en game-changer for teamet vårt. Nylonutstyrsmaterialet er en smart samtale – det slites ikke så fort som metall, så vi bytter ikke ut deler så ofte, og det er mye mer stillegående. Det høres kanskje lite ut, men en roligere butikk betyr mindre tretthet for teamet, og færre distraksjoner når vi sjekker utstyr.
Den er fleksibel nok til å håndtere de små skiftene som følger med høyhastighetskjøring, men fortsatt sterk nok til å holde seg under press – ingen bøying eller brudd. Installasjonen var også enkel; teknikerne våre hadde den satt opp på en time, ingen kompliserte instruksjoner. Vi har hatt langt færre maskinstopp siden vi installerte den, og alt går jevnere. Raydafon har bevist at de er en leverandør vi kan stole på – ingen overraskelser, bare gode produkter.
⭐⭐⭐⭐⭐ Carlos Martínez, driftsdirektør, Madrid Manufacturing Corp., Spania
Raydafons NL Type Nylon Gear Flexible Coupling er akkurat det høykvalitetsproduktet vi lette etter. Vi la den til i produksjonslinjen vår i håp om å kutte ned på vibrasjoner og øke effektiviteten – og den leverte på begge punkter, uten spørsmål. Nylonutstyret gir det akkurat den rette mengden fleksibilitet for å holde ting i gang, men det ofrer ikke styrke – selv når vi presser på streken for å overholde stramme tidsfrister.
Den er også kompakt, noe som er et stort pluss for oppsettet vårt; vi har ikke mye ekstra plass, og denne koblingen passer rett inn uten å tømme andre deler. Vi har brukt det i flere måneder nå, og det har ikke vært noen problemer – ingen sammenbrudd, ingen rare lyder, bare konsekvent ytelse. Mellom selve produktet og den gode servicen vi fikk fra Raydafon, er vi mer enn fornøyde. Denne er en keeper.
Adresse
Luotuo industriområde, Zhenhai-distriktet, Ningbo by, Kina
Tlf
E-post


+86-574-87168065


Luotuo industriområde, Zhenhai-distriktet, Ningbo by, Kina
Copyright © Raydafon Technology Group Co., Limited, Alle rettigheter reservert.
Links | Sitemap | RSS | XML | Personvernerklæring |
